
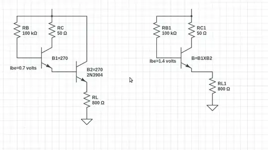
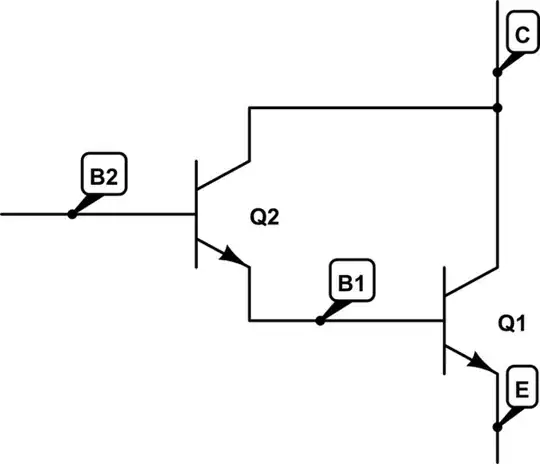
Is the LEFT circuit of darlington pair, equivallent to the RIGHT transistor circuit?
Is my asumption true? I replaced the two transistors in darlington pair with one; having beta equal to the product of betas of the two transistors, and the voltage from of 1.4 (0.7+0.7) across Base and Emitter.
Then I am calculating the Ib and hence the Ic. In practical experiments, I found that my calculations are not very exact, but close enough.
For example, for the circuit to the right I found:
Ib = 63 nano Ampere
Ie = 4.5 mA
In measurements, I am finding the Ie about 5.5 mA.
