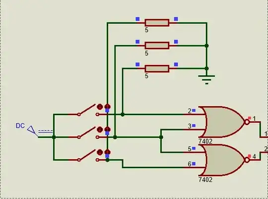
When I use resistors, my circuit is working fine but if I remove them, then the LEDs in my circuit don't work anymore.
As seen here the switch just sends high (red) voltage ahead
Can you please explain why a resistor is required?
- 11
2 Answers
Those are called pull-down resistors. They make sure the signals are 0V when the switches are open.
Without the pull-down resistors, the inputs are floating, meaning that you have no control over their voltage. They can be pretty much whatever, and in practice their voltage will vary with the circumstances. Some RF disturbance or you touching the circuit or whatever will cause the inputs to change state.
- 4,837
- 7
- 26
The input would read high if not for the resistors. If you put the switches to GND rather than Vcc the circuit would work (with the switch logic reversed, obviously), however it's not ideal because the open inputs will be a bit sensitive to EMI. It would be fine on a breadboard demonstration with switches.
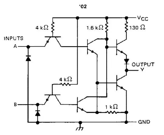
The internal circuit of the 7402 (from the datasheet):
If you read the datasheet, you'll see that the current flowing out of the input is 1.6mA maximum with a safe logic '0' at the input, so the resistor value should be 250\$\Omega\$ or less to have a logic '0' with 400mV of noise immunity. Typical current from each input is (5V - 0.7V)/4K = 1mA.
That wastes quite a bit of current from the supply when the switch is closed - 20mA per input- so it's better to pull TTL (including LSTTL) inputs down with the switch- which uses 1.6mA- and up with a resistor of 1K or so- which uses no extra current.
If you are using CMOS parts (eg. 74HC02) then the inputs would just be floating and you could use pull-up resistors (to Vcc) or pull-down resistors (to GND), and those resistors could be something relatively large such as 10K.
- 397,265
- 22
- 337
- 893


then the LEDs in my circuit don't work anymore... it's not the LEDs ... it is the circuit that does not work ... look at the inputs of the NOR gates – jsotola Jan 08 '22 at 18:13