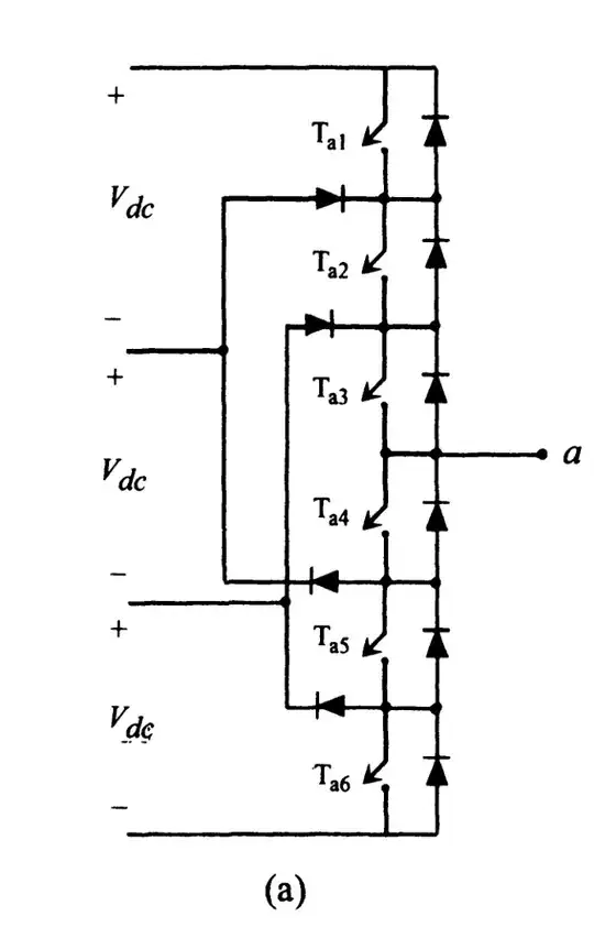
Here is a four-level diode-clamped inverter (only one phase shown.)
I am confused why this kind of circuit it called 'diode clamped' inverter. How do the two diodes work here?
I know the working principle of a three level inverter,but I am not clear about the working principle of a four-level inverter. Can anyone tell me how this circuit works?

