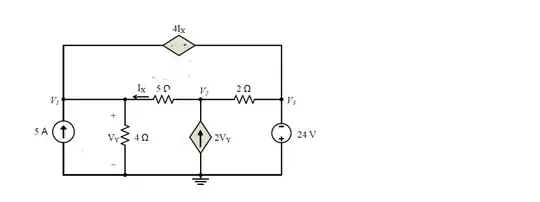
I would like to use Nodal Analysis to find the power absorbed by 2 Ω resistor, V1, V2, and V3. For V3, it clearly shows that it is -24V. I would like to ask is V1 the same as Vy, or they are different values?
4 Answers
To help you identify the nodes in the circuit:
If the label V1 had been written next to the dependent source 4Ix at the top(i.e., anywhere on the blue area), it would still be equal to VY because that is the same node.
The second part of your question is: solve my homework; For that you should show your work and ask for clarifications as needed.
- 1,149
- 1
- 5
- 11
I get the impression you are asking about the application of Kirchhoff's Voltage Law (KVL) when some of the potentials quoted aren't "voltages across something", but rather absolute potentials, as is the case for \$V_1\$ and \$V_3\$ here.
KVL doesn't care one bit about absolute potentials, it only concerns itself with the potential differences between the ends of each element in a loop. This means that you can't use the values \$V_1\$ and \$V_3\$ in isolation. You can only apply KVL in terms of the voltages across the 5A source and the 24V source.
The behaviour of this circuit is not at all dependent on the absolute potential of the bottom node, which in this case is clearly indicated (by the "ground" symbol) to be 0V. That node could have any potential, and it would not affect its behaviour, because there are no other absolute, known potentials being "applied" anywhere else. If that ground potential were to rise by ten volts, the potentials at all other nodes would also rise by that amount.
In this case, the statement that the bottom node is at 0V is merely a fact that you can use to derive absolute potentials elsewhere, after you've solved for all the voltages across things using nodal analysis. The analysis itself is unconcerned with such absoluteness.
KVL requires you to state the potential differences as you traverse each element in a loop, and in that sense you are required to assign algebraic representions of all "voltages across things". It's possible to completely characterise this circuit without any reference to the 0V absolute ground potential, but the solutions will all be potential differences, across various things. When you have those "voltages across", you may then assign absolute potentials at each node with respect to any other.
After the solution is found, it should be clear that the bottom node, at 0V, will be 24V higher in potential than the node at the top of the 24V source. That potential is called \$V_3\$ right now. Conversely, \$V_3\$ must be 24V lower in potential than 0V, or in other words \$V_3 = -24V\$. But, for now, that is irrelevant, since your application of KVL makes use of only the potential difference of 24V across that voltage source.
Similarly, applying KVL to the loop containing the 5A current source does not require you to know the absolute potential at either end of that source. Assign a variable name to that potential difference, like "\$V_{P}\$", and solve for that. Then later you may make the observation that \$V_1\$ is clearly \$V_{P}\$ volts different from the ground node, or in other words \$V_1 = 0V + V_P\$.
I hope that you noticed that \$V_1 = 0V + V_P = V_P\$, and so it's quite safe to apply KVL using the voltage across that 5A source as \$V_1\$ instead of \$V_P\$. They're obviously the same value. The point I'm trying to make here is that in this case you are right that you may assume that \$V_1\$ is the voltage across the 5A source, and also across the 4 resistor, but I want to be clear that KVL needs the voltages across things, not absolute potentials at any point. In this case the voltage across the source just happens to be \$V_1\$. And yes, you are right, \$V_Y = V_P = V_1\$. But what if the potential at the bottom wasn't 0V, what if it were +10000V? Would that make any difference? Not in the sense that the voltage across the 4Ω resistor and the voltage across the 5A source are identical, and haven't changed, and that's all you need to know when applying KVL.
The same goes for \$V_3\$. That absolute potential is of no interest to you, or KVL, or nodal analysis. What's important is the voltage across the 24V source, which is clearly 24V. You can solve this entire system without ever knowing that the bottom node is actually ground, at zero volts.
After you have all the voltages across the various elements, then you can say that \$V_1\$ is this, or \$V_3\$ is that, finally making use of the ground as a reference that every other potential is quoted relative to.
- 34,939
- 2
- 17
- 105
I would like to ask is V1 the same as Vy, or they are different values?
They are the same value because whenever a node voltage is shown and there is an obvious 0 volt reference point (such as ground) then the node voltage is relative to that ground voltage (0 volts).
- 456,226
- 28
- 367
- 807
First, I will present a method that uses Mathematica to solve this problem. When I was studying this stuff I used the method all the time (without using Mathematica of course).
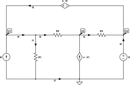
Well, we are trying to analyze the following circuit:

simulate this circuit – Schematic created using CircuitLab
When we use and apply KCL, we can write the following set of equations:
$$ \begin{cases} \text{I}_4=\text{I}_0+\text{I}_5\\ \\ \text{I}_4=\text{I}_1+\text{I}_2\\ \\ \text{I}_3=\text{I}_2+\text{n}\cdot\text{V}_1\\ \\ \text{I}_5=\text{I}_3+\text{I}_6\\ \\ \text{I}_1=\text{I}_0+\text{I}_7\\ \\ \text{I}_7=\text{I}_6+\text{n}\cdot\text{V}_1 \end{cases}\tag1 $$
When we use and apply Ohm's law, we can write the following set of equations:
$$ \begin{cases} \text{I}_1=\frac{\text{V}_1}{\text{R}_1}\\ \\ \text{I}_2=\frac{\text{V}_1-\text{V}_2}{\text{R}_2}\\ \\ \text{I}_3=\frac{\text{V}_2-\text{V}_3}{\text{R}_3} \end{cases}\tag2 $$
And we also know that \$\text{V}_1-\text{V}_3=\text{k}\cdot\text{I}_2\$ and \$\text{V}_3=-\text{V}_\text{i}\$.
Now, we can put equations \$(1)\$ into \$(2)\$ to get:
$$ \begin{cases} \text{I}_4=\text{I}_0+\text{I}_5\\ \\ \text{I}_4=\frac{\text{V}_1}{\text{R}_1}+\frac{\text{V}_1-\text{V}_2}{\text{R}_2}\\ \\ \frac{\text{V}_2-\text{V}_3}{\text{R}_3}=\frac{\text{V}_1-\text{V}_2}{\text{R}_2}+\text{n}\cdot\text{V}_1\\ \\ \text{I}_5=\frac{\text{V}_2-\text{V}_3}{\text{R}_3}+\text{I}_6\\ \\ \frac{\text{V}_1}{\text{R}_1}=\text{I}_0+\text{I}_7\\ \\ \text{I}_7=\text{I}_6+\text{n}\cdot\text{V}_1 \end{cases}\tag3 $$
Hence, we can solve for \$\text{V}_1\$ and \$\text{V}_2\$:
- $$\text{V}_1=\frac{\text{V}_\text{i}\left(\text{R}_2+\text{R}_3-\text{k}\right)}{\text{k}\left(1-\text{nR}_3\right)-\text{R}_2-\text{R}_3}\tag6$$
- $$\text{V}_2=\frac{\text{V}_\text{i}\left(\text{k}-\text{R}_2-\text{R}_3\left(1+\text{nR}_2\right)\right)}{\text{k}\left(\text{nR}_3-1\right)+\text{R}_2+\text{R}_3}\tag7$$
Where I used the following Mathematica-code:
In[1]:=Clear["Global`*"];
FullSimplify[
Solve[{I4 == I0 + I5, I4 == I1 + I2, I3 == I2 + n*V1, I5 == I3 + I6,
I1 == I0 + I7, I7 == I6 + n*V1, I1 == V1/R1, I2 == (V1 - V2)/R2,
I3 == (V2 - V3)/R3, V1 - V3 == k*I2, V3 == -Vi}, {I1, I2, I3, I4,
I5, I6, I7, V1, V2, V3}]]
Out[1]={{I1 -> ((k - R2 - R3) Vi)/(R1 (R2 + R3 + k (-1 + n R3))),
I2 -> (n R3 Vi)/(R2 + R3 + k (-1 + n R3)),
I3 -> (n (k - R2) Vi)/(R2 + R3 + k (-1 + n R3)),
I4 -> ((k - R2 + (-1 + n R1) R3) Vi)/(R1 (R2 + R3 + k (-1 + n R3))),
I5 -> -I0 + ((k - R2 - R3 + n R1 R3) Vi)/(
R1 (R2 + R3 + k (-1 + n R3))),
I6 -> -I0 - ((-1 + n R1) (k - R2 - R3) Vi)/(
R1 (R2 + R3 + k (-1 + n R3))),
I7 -> -I0 + ((k - R2 - R3) Vi)/(R1 (R2 + R3 + k (-1 + n R3))),
V1 -> ((k - R2 - R3) Vi)/(R2 + R3 + k (-1 + n R3)),
V2 -> -(((-k + R2 + R3 + n R2 R3) Vi)/(R2 + R3 + k (-1 + n R3))),
V3 -> -Vi}}
Using your values:
- $$\text{V}_1=-\frac{72}{19}\approx-3.78947\space\text{V}\tag7$$
- $$\text{V}_2=-\frac{552}{19}\approx-29.0526\space\text{V}\tag8$$
And the rest using Mathematica-code:
In[2]:=Clear["Global`*"];
Vi = 24;
I0 = 5;
k = 4;
n = 2;
R1 = 4;
R2 = 5;
R3 = 2;
FullSimplify[
Solve[{I4 == I0 + I5, I4 == I1 + I2, I3 == I2 + n*V1, I5 == I3 + I6,
I1 == I0 + I7, I7 == I6 + n*V1, I1 == V1/R1, I2 == (V1 - V2)/R2,
I3 == (V2 - V3)/R3, V1 - V3 == k*I2, V3 == -Vi}, {I1, I2, I3, I4,
I5, I6, I7, V1, V2, V3}]]
Out[2]={{I1 -> -(18/19), I2 -> 96/19, I3 -> -(48/19), I4 -> 78/19,
I5 -> -(17/19), I6 -> 31/19, I7 -> -(113/19), V1 -> -(72/19),
V2 -> -(552/19), V3 -> -24}}
In[3]:=N[%2]
Out[3]={{I1 -> -0.947368, I2 -> 5.05263, I3 -> -2.52632, I4 -> 4.10526,
I5 -> -0.894737, I6 -> 1.63158, I7 -> -5.94737, V1 -> -3.78947,
V2 -> -29.0526, V3 -> -24.}}
And notice that:
$$\text{P}_{\text{R}_3}=\text{I}_3^2\cdot\text{R}_3=\left(-\frac{48}{19}\right)^2\cdot2=\frac{4608}{361}\approx12.7645\space\text{W}\tag9$$
- 7,790
- 12
- 21

