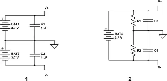
My goal is to design a split power supply that I can use for different audio project. I need a +-2.8 V supply. My power input will be a 3.7 V nominal Li ion battery (or two of them). My questions are:
- Is it better or correct approach 1 or 2?
- If one battery is used, is it ok to regulate its output before creating the minus supply?
- If two batteries are used the only way is to regulate both (with two LDOs)?
- Would it be a problem in terms of heating if are about 0.5 A needed? (to be honest I don't understand exactly how much current my circuit will draw. I use one TL082 (datasheet 5.6 mA supply current) and two LM4880 (datasheet 250 mW at 8 ohm with 5 V per channel max).
thanks

simulate this circuit – Schematic created using CircuitLab