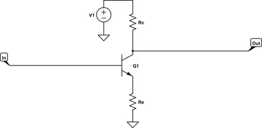
In the different configurations of transistors, namely Common Base (CB), Common Emitter (CE) and Common Collector (CC), I am asked about the basic difference.
So can I say that the basic difference is that in each configuration the Base, Emitter and Collector are grounded respectively? That is in CB the base is grounded, in CE the Emitter is grounded and in CC the Collector is grounded?
Kindly clarify this for me.
