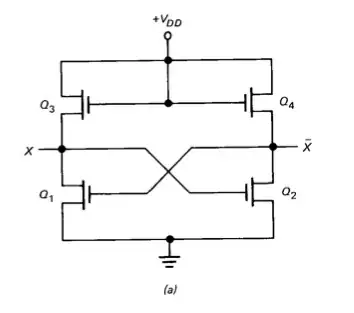
In the book, Digital Computer Electronics, there is a diagram on page 140 (figure 9-4 a) of a flip-flop used in static MOS RAM to store a bit. The book says that Q3 and Q4 act like resistors, which leads me to wonder, why aren't normal resistors used here?
-
17I guess this is inside a IC? Resistors take up far more silicon real estate then transistors. – Unimportant Jun 08 '21 at 13:12
-
9@Unimportant Components in an IC are very often made of transistors. Even capacitors are usually just transistors with sufficiently-high capacitance. – forest Jun 09 '21 at 00:19
-
1From Analog VLSI class in school, my teacher said "True analog processes for VLSI disappeared in the 1980s so if you need a resistor or capacitor, your only viable option is to use transistors to emulate them or use off-chip components." – winny Jun 11 '21 at 08:41
4 Answers
It is just much simpler to use a transistor as weak pull-up than manufacturing actual resistors on the silicon.
Resistors can be larger and may require a more complex process for manufacturing both resistors and transistors, so overall it is cheaper to use transistors.
- 147,557
- 4
- 113
- 291
The current through a resistor will increase proportionally with voltage, and the power dissipation will increase with the square of voltage. The current through a depletion mode MOSFET will essentially top out at a certain voltage and then remain nearly constant beyond that (within device limits). This makes them extremely useful for passive pull-ups, since they will draw less current and thus dissipate less heat than would resistors that are sized to supply an equal amount of current at the logic switching threshold (and would thus supply more current when an output is pulled all the way to ground).
- 46,736
- 3
- 87
- 148
-
2Tangential: does that mean MOSFETs should be considered as a resistor replacement in many cases even outside of ICs? Or are there significant benefits (e.g. price) in using resistors? – icyrock.com Jun 09 '21 at 18:29
-
6@icyrock.com Massive price benefit to using resistors if you're talking discrete components. Here in the UK I can get 100 chip SMD resistors for one penny from my usual supplier, and we're not talking large volume either. Cheapest single MOSFET is around 2.8 pence from the same supplier. – cooperised Jun 09 '21 at 19:30
-
2@icyrock.com: Standalone resistors that can dissipate a particular amount of power are much cheaper than MOSFETs that can do likewise. Even if a MOSFET's current-limiting capability would cut the required power-handling capacity in half, the resistor would still win out on price. Within a chip, however, resistors offer no such price advantage, and in fact tend to be larger than resistors of comparable capability. The only place where Ia MOSFET would win would be in circuit-protection applications, where a MOSFET will offer a low apparent on resistance... – supercat Jun 09 '21 at 19:35
-
1...outside of overcurrent conditions, but instantaneous current even when a high-current supply is tied to a dead short would be limited even before the protection circuitry reacts to cut off power entirely. – supercat Jun 09 '21 at 19:36
-
Q3 and Q4 are not wired as NMOS depletion mode loads, they are almost certainly enhancement mode devices. Your argument about them being constant current does not apply. If they were in fact intended to be P-type devices they would probably go further and cross-couple them to be active loads as in conventional CMOS. – Kevin White Jun 11 '21 at 23:53
IC design is very different to discrete design.
In discrete design resistors are the cheapest components and are available in basically whatever value you want. Transistors are more expensive and can't easily be purchased with arbitrary parameters.
In IC design resistors require a long track of semiconductor material which takes up a lot of space, transistors are much smaller. Since the cost of an IC is primarily driven by silicon area this means that on an IC transistors are much cheaper than resistors. Field effect transistors on an IC can be fabricated with varying ratios of channel width to channel length making it easy to create deliberately "weak" transistors.
- 22,193
- 1
- 39
- 82
Resistors are physically significantly larger than MOSFETs on a semiconductor die. So if you can use a MOSFET instead, it saves a lot of space.
- 32,466
- 3
- 55
- 133
