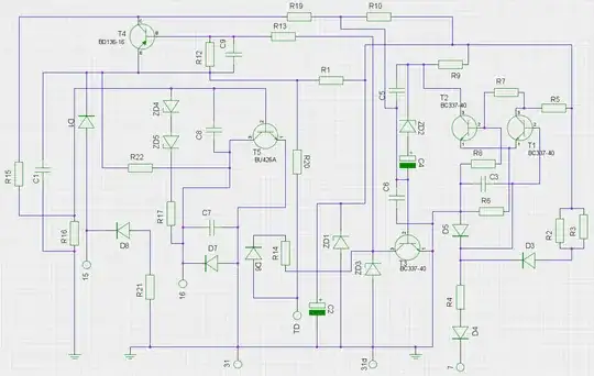
I have an old ignition module from a 1978 W116 model Mercedes-Benz, and I'm trying to "reverse engineer" it. The original circuit diagram is not available to mere mortals, so I have made one based on the PCB itself. I believe it is, beside being ugly, electrically correct. Thus far I have identified all resistors, caps and transistors (bar one). What I have a huge problem with are the diodes, and any help would be appreciated.
The known diodes are: ZD1 - 6.8V Zener (5 Watt?) ZD2 - 2.7V Zener ZD3 - 27V Zener
ZD4, ZD5, D1 to D8 are unknown. ZD4/ZD5 are not shorted, but I'm getting nowhere with these with my 30V power supply, so they're probably rated above >30V. D3, D5 and D6 are fried.
D4 is just beside R4. The two left-most black diodes are D1 and D8 (both marked "703"), the one underneath them is D7 (marked "1849" and "714"). The missing T5 transistor is a TO3 packaged power transistor marked "1120008" and "7/32". I haven't cracked this one myself, but have been told a BU426A is a direct replacement for it. T1 to T3 are BCY58IX, T4 is a BSV15-16K.
The power supply is a standard 12V car battery.
Edit: The entire ignition circuit looks like this:
(higher resolution)

