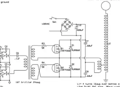
how can only 1 transistor create an AC signal to power the primary
There are two things happening here.
- If you have an "AC" signal on top of a constant "DC" offset:

The constant DC part will go straight through the transformer coil and create a constant magnetic field. This does not induce any voltage in the secondary. All it does is saturate the core a bit and increase losses.
However the AC part will still cause a varying magnetic field, which will induce a voltage on the transformer secondary.
In other words, transformers only work on AC but can ignore some amount of DC offset current on the primary. The transformer core still has a maximum field limit above which it will saturate, and this depends on instantaneous current, thus having a DC current on top of your AC current reduces the maximum AC current the transformer can handle before its core saturates.
- It's a flyback transformer
When the transistor turns on, current rises in the primary. Since this is a transformer, this causes a corresponding rise in voltage on the secondary, but in a flyback transformer this part of the secondary waveform is not used. The voltage rises, but no current goes into the load, usually because there is a rectifying diode in the output.
When the transistor turns off, the primary is disconnected. But the magnetic energy in the core has not disappeared, which means current has to find somewhere to flow. If this was just an inductor, voltage would rise until something breaks and lets the current through, for example the transistor would avalanche. However this is not an inductor, but a transformer instead, it has two coils, so voltage rises very quickly on both primary and secondary until something breaks. On a flyback transformer, this is used to obtain high voltage on the secondary. The turns ratio of the transformer is chosen so magnetic energy stored in the core discharges through the secondary coil into the load before the transistor avalanches. Once the energy is dumped in the load, magnetic flux is back to zero and the cycle can restart.
So, in a flyback transformer, having DC offset on your AC is an intentional part of the design, it does not create problems like it would on a "normal" transformer. The goal is to ramp up primary current to store energy in the core, then dump it in the load via the secondary.
As long as the transistor stays on, the current and magnetic flux will keep increasing. This can't go on forever of course, first copper losses are in i^2 so they increase dramatically at high current, second at some value of flux the core will saturate. So, input voltage, ON-time, primary winding turns and copper gauge, and of course the core itself, should all be chosen together for best efficiency and lowest cost. Since a core with a higher saturation flux will be bigger and more expensive, peak primary current also influences cost.