That's a nice topic. You're not specific about your background and how much you understand of analog amplifiers... and this one looks pretty much classic. I thought it might help if I highlight some blocks of the circuit.

The whole story is long and winding, probably out of scope here - but try to look at those circuit blocks and understand how they behave.
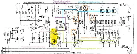
The blue and lime blocks form a complementary power output stage, actually an "emitter follower cascade", where the Q106+Q108 form a complementary driver stage, buffering drive current for the power output triplets. In terms of behavior, note that the voltage at the blue line follows the base of Q106, and the green line follows the base of Q108.
The purple box contains a single transistor, the Q104 that you have mentioned. This one should stabilize voltage between its C and E, i.e. the voltage step between the blue and lime bases. = provides a pair of relative bias voltages (constant difference between the bases) for the output blue+lime cascade. AC signal propagating through the circuit moves both bases (of the Q106+Q108) "in phase" = same direction, but keeping their constant DC spacing. I'd hazard a guess that this difference should be like 3 Volts - effectively the sum of BE drops across the blue and lime follower cascades, approximately centered around the output potential of the whole amp. In reality, the N-type transies tend to have a higher gain / lower threshold voltage than P-type, therefore you will likely observe a small offset against the perfect center = output. The precise differential bias voltage at the blue+lime bases translates into a particular level of quiescent current across the output power stage, i.e. the Id through Q111..Q116, also visible at their emitter shunt resistors R125/7/9+R132/4/6. The shunt resistors have a dual role: they alleviate differences, somewheat, in the Hfe of the output transistors within a triplet (which needs to be matched nonetheless) and they serve as "current measurement shunts" for the emergency overcurrent limit detector.
So: in terms of AC, if you watch it with an oscilloscope, the blue and lime "signal subpaths" should move in unison, and you should have a couple dozen milliamps of quiescent current across the very output stage.
Most of the AC voltage swing should be seen at the collector of Q102 in your yellow-highlighted circuit. As others have suggested, this is a constant current source, whose actual current is altered by its input. The whole yellow block provides constant current, but at the same time acts as a voltage inverter (that's the role of the Q102). The collector of Q102 works against a pull-up resistor, consisting of R106+R108 if I'm reading the markings right. So the thermal loss within this stage is shared between Q102, Q104 and R106+R108.
As for Q104, I'm slightly surprised that the two resistors across its base do not involve a trimpot = for manual quiescent current adjustment. And, optimally, I believe the Q104 should be thermocoupled to the heatsink of the output power stage, to provide negative thermal feedback. If Q104 is not original, I wouldn't be surprised if the resulting base bias voltage for the blue and lime sections was wrong, possibly with disastrous effects for the power output transistors.
When diagnosing the circuit, look for transistors that behave weird, "not following their rules of operation". And, be aware of the negative feedback, that keeps trying to compensate for any broken transistor by pulling the healthy parts of the circuit in the other way. Mind the monolithic op-amp used as the diff input and early gain stages of the circuit, and Q101 itself as a voltage inverter stage - those two are a part of the global negative feedback loop as well. Debugging circuits involving a complex negative feedback is lots of fun, especially the complementary parts of the signal path where something can be broken in one half and the other half can still be working...
I suggest that you get yourself some sort of a lab PSU with adjustable symmetrical output. Even just the original PSU with an iron-core mains transformer, and prepend an auto-transformer or a "sinewave chopper" / phase controller. This, in order to be able to start up with low voltages, when debugging.