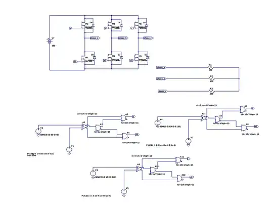
I have designed three phase inverter in ltspice with SPWM technique using mosfet switch. the output voltage at the load is incorrect. could anyone please tell me what is wrong in the simulation to get the output properly.
The expected result without filter at output end.
output Current
output Voltage

Version 4
SHEET 1 2312 1192
WIRE -2096 -1632 -2496 -1632
WIRE -1792 -1632 -2096 -1632
WIRE -1488 -1632 -1792 -1632
WIRE -2096 -1600 -2096 -1632
WIRE -2000 -1600 -2096 -1600
WIRE -1488 -1600 -1488 -1632
WIRE -1392 -1600 -1488 -1600
WIRE -1792 -1584 -1792 -1632
WIRE -1680 -1584 -1792 -1584
WIRE -2096 -1568 -2096 -1600
WIRE -1792 -1568 -1792 -1584
WIRE -1488 -1568 -1488 -1600
WIRE -2000 -1552 -2000 -1600
WIRE -1680 -1552 -1680 -1584
WIRE -1392 -1552 -1392 -1600
WIRE -2144 -1488 -2240 -1488
WIRE -1792 -1456 -1792 -1472
WIRE -1680 -1456 -1680 -1488
WIRE -1680 -1456 -1792 -1456
WIRE -2096 -1440 -2096 -1472
WIRE -2000 -1440 -2000 -1488
WIRE -2000 -1440 -2096 -1440
WIRE -1488 -1440 -1488 -1472
WIRE -1392 -1440 -1392 -1488
WIRE -1392 -1440 -1488 -1440
WIRE -2496 -1376 -2496 -1632
WIRE -2096 -1376 -2096 -1440
WIRE -2032 -1376 -2096 -1376
WIRE -1792 -1376 -1792 -1456
WIRE -1712 -1376 -1792 -1376
WIRE -1488 -1376 -1488 -1440
WIRE -1424 -1376 -1488 -1376
WIRE -2096 -1216 -2096 -1376
WIRE -1984 -1216 -2096 -1216
WIRE -1792 -1216 -1792 -1376
WIRE -1680 -1216 -1792 -1216
WIRE -1488 -1216 -1488 -1376
WIRE -1376 -1216 -1488 -1216
WIRE -1792 -1200 -1792 -1216
WIRE -1488 -1200 -1488 -1216
WIRE -2096 -1184 -2096 -1216
WIRE -1984 -1184 -1984 -1216
WIRE -1680 -1184 -1680 -1216
WIRE -1376 -1184 -1376 -1216
WIRE -2144 -1104 -2176 -1104
WIRE -2096 -1072 -2096 -1088
WIRE -1984 -1072 -1984 -1120
WIRE -1984 -1072 -2096 -1072
WIRE -1792 -1072 -1792 -1104
WIRE -1680 -1072 -1680 -1120
WIRE -1680 -1072 -1792 -1072
WIRE -1488 -1072 -1488 -1104
WIRE -1376 -1072 -1376 -1120
WIRE -1376 -1072 -1488 -1072
WIRE -704 -1040 -1168 -1040
WIRE -336 -1040 -624 -1040
WIRE -2096 -1024 -2096 -1072
WIRE -1792 -1024 -1792 -1072
WIRE -1792 -1024 -2096 -1024
WIRE -1488 -1024 -1488 -1072
WIRE -1488 -1024 -1792 -1024
WIRE -2496 -1008 -2496 -1296
WIRE -2096 -1008 -2096 -1024
WIRE -2096 -1008 -2496 -1008
WIRE -688 -912 -1168 -912
WIRE -336 -912 -336 -1040
WIRE -336 -912 -608 -912
WIRE -688 -768 -1152 -768
WIRE -336 -768 -336 -912
WIRE -336 -768 -608 -768
WIRE -320 -576 -704 -576
WIRE -192 -576 -256 -576
WIRE -320 -544 -528 -544
WIRE -1680 -480 -2064 -480
WIRE -1552 -480 -1616 -480
WIRE -768 -480 -1264 -480
WIRE -704 -480 -704 -576
WIRE -688 -480 -704 -480
WIRE -688 -464 -688 -480
WIRE -608 -464 -688 -464
WIRE -528 -464 -528 -544
WIRE -528 -464 -544 -464
WIRE -1680 -448 -1888 -448
WIRE -1264 -448 -1264 -480
WIRE -768 -448 -912 -448
WIRE -368 -432 -544 -432
WIRE -2128 -384 -2624 -384
WIRE -2064 -384 -2064 -480
WIRE -2048 -384 -2064 -384
WIRE -2048 -368 -2048 -384
WIRE -1968 -368 -2048 -368
WIRE -1888 -368 -1888 -448
WIRE -1888 -368 -1904 -368
WIRE -368 -368 -368 -432
WIRE -304 -368 -368 -368
WIRE -160 -368 -240 -368
WIRE -2624 -352 -2624 -384
WIRE -2128 -352 -2272 -352
WIRE -1728 -336 -1904 -336
WIRE -704 -336 -704 -448
WIRE -304 -336 -704 -336
WIRE -1728 -272 -1728 -336
WIRE -1664 -272 -1728 -272
WIRE -1520 -272 -1600 -272
WIRE -2064 -240 -2064 -352
WIRE -1664 -240 -2064 -240
WIRE -912 -240 -912 -448
WIRE -2272 -144 -2272 -352
WIRE -1056 0 -1440 0
WIRE -928 0 -992 0
WIRE -1056 32 -1264 32
WIRE -1504 96 -2000 96
WIRE -1440 96 -1440 0
WIRE -1424 96 -1440 96
WIRE -1424 112 -1424 96
WIRE -1344 112 -1424 112
WIRE -1264 112 -1264 32
WIRE -1264 112 -1280 112
WIRE -2000 128 -2000 96
WIRE -1504 128 -1648 128
WIRE -1104 144 -1280 144
WIRE -1104 208 -1104 144
WIRE -1040 208 -1104 208
WIRE -896 208 -976 208
WIRE -1440 240 -1440 128
WIRE -1040 240 -1440 240
WIRE -1648 336 -1648 128
FLAG -2272 -64 0
FLAG -2624 -272 0
FLAG -912 -160 0
FLAG -1264 -368 0
FLAG -1648 416 0
FLAG -2000 208 0
FLAG -1552 -480 a
IOPIN -1552 -480 Out
FLAG -1520 -272 a0
IOPIN -1520 -272 Out
FLAG -192 -576 b
IOPIN -192 -576 Out
FLAG -160 -368 b0
IOPIN -160 -368 Out
FLAG -928 0 c
IOPIN -928 0 Out
FLAG -896 208 c0
IOPIN -896 208 Out
FLAG -2240 -1488 a
IOPIN -2240 -1488 In
FLAG -2176 -1104 a0
IOPIN -2176 -1104 In
FLAG -1840 -1120 b0
IOPIN -1840 -1120 In
FLAG -1536 -1488 c
IOPIN -1536 -1488 In
FLAG -1536 -1120 c0
IOPIN -1536 -1120 In
FLAG -2032 -1376 phase_a
IOPIN -2032 -1376 Out
FLAG -1712 -1376 phase_b
IOPIN -1712 -1376 Out
FLAG -1424 -1376 phase_c
IOPIN -1424 -1376 Out
FLAG -1840 -1488 b
IOPIN -1840 -1488 In
FLAG -1168 -1040 phase_a
IOPIN -1168 -1040 In
FLAG -1168 -912 phase_b
IOPIN -1168 -912 In
FLAG -1152 -768 phase_c
IOPIN -1152 -768 In
SYMBOL voltage -2272 -160 R0
WINDOW 3 -481 102 Left 2
WINDOW 123 0 0 Left 0
WINDOW 39 0 0 Left 0
SYMATTR InstName V1
SYMATTR Value PULSE(-1 1 0 16u 16u 0 32u)
SYMBOL voltage -2624 -368 R0
WINDOW 123 0 0 Left 0
WINDOW 39 0 0 Left 0
SYMATTR InstName V2
SYMATTR Value SINE(0 0.8 50 0 0 0)
SYMBOL Digital\\diffschmitt -2128 -432 R0
WINDOW 3 -56 -81 Left 2
SYMATTR InstName A1
SYMATTR Value vt=0 vh=0 Vhigh=15
SYMBOL Digital\\and -1936 -416 R0
WINDOW 3 -51 111 Left 2
SYMATTR InstName A2
SYMATTR Value td=1u Vhigh=15
SYMBOL Digital\\and -1648 -528 R0
WINDOW 3 -27 120 Left 2
SYMATTR InstName A3
SYMATTR Value td=10n Vhigh=15
SYMBOL Digital\\and -1632 -320 R0
WINDOW 3 -31 136 Left 2
SYMATTR InstName A4
SYMATTR Value td=10n Vhigh=15
SYMBOL voltage -912 -256 R0
WINDOW 3 -481 102 Left 2
WINDOW 123 0 0 Left 0
WINDOW 39 0 0 Left 0
SYMATTR InstName V3
SYMATTR Value PULSE(-1 1 0 1e-4 1e-4 0 2e-4)
SYMBOL voltage -1264 -464 R0
WINDOW 123 0 0 Left 0
WINDOW 39 0 0 Left 0
SYMATTR InstName V4
SYMATTR Value SINE(0 0.8 50 0 0 120)
SYMBOL Digital\\diffschmitt -768 -528 R0
WINDOW 3 -56 -81 Left 2
SYMATTR InstName A5
SYMATTR Value vt=0 vh=0 Vhigh=15
SYMBOL Digital\\and -576 -512 R0
WINDOW 3 -51 111 Left 2
SYMATTR InstName A6
SYMATTR Value td=1u Vhigh=15
SYMBOL Digital\\and -288 -624 R0
WINDOW 3 -27 120 Left 2
SYMATTR InstName A7
SYMATTR Value td=10n Vhigh=15
SYMBOL Digital\\and -272 -416 R0
WINDOW 3 -31 136 Left 2
SYMATTR InstName A8
SYMATTR Value td=10n Vhigh=15
SYMBOL voltage -1648 320 R0
WINDOW 3 -481 102 Left 2
WINDOW 123 0 0 Left 0
WINDOW 39 0 0 Left 0
SYMATTR InstName V5
SYMATTR Value PULSE(-1 1 0 1e-4 1e-4 0 2e-4)
SYMBOL voltage -2000 112 R0
WINDOW 123 0 0 Left 0
WINDOW 39 0 0 Left 0
SYMATTR InstName V6
SYMATTR Value SINE(0 0.8 50 0 0 240)
SYMBOL Digital\\diffschmitt -1504 48 R0
WINDOW 3 -56 -81 Left 2
SYMATTR InstName A9
SYMATTR Value vt=0 vh=0 Vhigh=15
SYMBOL Digital\\and -1312 64 R0
WINDOW 3 -51 111 Left 2
SYMATTR InstName A10
SYMATTR Value td=1u Vhigh=15
SYMBOL Digital\\and -1024 -48 R0
WINDOW 3 -27 120 Left 2
SYMATTR InstName A11
SYMATTR Value td=10n Vhigh=15
SYMBOL Digital\\and -1008 160 R0
WINDOW 3 -31 136 Left 2
SYMATTR InstName A12
SYMATTR Value td=10n Vhigh=15
SYMBOL res -608 -1056 R90
WINDOW 0 0 56 VBottom 2
WINDOW 3 32 56 VTop 2
SYMATTR InstName R1
SYMATTR Value 100
SYMBOL res -592 -928 R90
WINDOW 0 0 56 VBottom 2
WINDOW 3 32 56 VTop 2
SYMATTR InstName R2
SYMATTR Value 100
SYMBOL res -592 -784 R90
WINDOW 0 0 56 VBottom 2
WINDOW 3 32 56 VTop 2
SYMATTR InstName R3
SYMATTR Value 100
SYMBOL Misc\\battery -2496 -1392 R0
WINDOW 123 0 0 Left 0
WINDOW 39 0 0 Left 0
SYMATTR InstName V7
SYMATTR Value 100
SYMBOL diode -1376 -1488 R180
WINDOW 0 24 64 Left 2
WINDOW 3 24 0 Left 2
SYMATTR InstName D1
SYMATTR Value 1N914
SYMBOL diode -1360 -1120 R180
WINDOW 0 24 64 Left 2
WINDOW 3 24 0 Left 2
SYMATTR InstName D2
SYMATTR Value 1N914
SYMBOL diode -1664 -1120 R180
WINDOW 0 24 64 Left 2
WINDOW 3 24 0 Left 2
SYMATTR InstName D3
SYMATTR Value 1N914
SYMBOL diode -1984 -1488 R180
WINDOW 0 24 64 Left 2
WINDOW 3 24 0 Left 2
SYMATTR InstName D4
SYMATTR Value 1N914
SYMBOL diode -1968 -1120 R180
WINDOW 0 24 64 Left 2
WINDOW 3 24 0 Left 2
SYMATTR InstName D5
SYMATTR Value 1N914
SYMBOL diode -1664 -1488 R180
WINDOW 0 24 64 Left 2
WINDOW 3 24 0 Left 2
SYMATTR InstName D6
SYMATTR Value 1N914
SYMBOL nmos -2144 -1184 R0
SYMATTR InstName M1
SYMATTR Value IRF510
SYMBOL nmos -2144 -1568 R0
SYMATTR InstName M2
SYMATTR Value IRF510
SYMBOL nmos -1840 -1568 R0
SYMATTR InstName M3
SYMATTR Value IRF510
SYMBOL nmos -1840 -1200 R0
SYMATTR InstName M4
SYMATTR Value IRF510
SYMBOL nmos -1536 -1200 R0
SYMATTR InstName M5
SYMATTR Value IRF510
SYMBOL nmos -1536 -1568 R0
SYMATTR InstName M6
SYMATTR Value IRF510
TEXT -2754 -38 Left 2 !.tran 20m
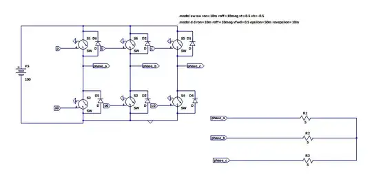
I changed the mosfet and diode to VCSW and modelled diode, with SPWM Technique.
The code for modelled mosfet and diode.
Version 4
SHEET 1 1220 744
WIRE -848 -1312 -1248 -1312
WIRE -544 -1312 -848 -1312
WIRE -240 -1312 -544 -1312
WIRE -848 -1280 -848 -1312
WIRE -752 -1280 -848 -1280
WIRE -240 -1280 -240 -1312
WIRE -144 -1280 -240 -1280
WIRE -544 -1264 -544 -1312
WIRE -432 -1264 -544 -1264
WIRE -848 -1232 -848 -1280
WIRE -752 -1232 -752 -1280
WIRE -544 -1232 -544 -1264
WIRE -432 -1232 -432 -1264
WIRE -240 -1232 -240 -1280
WIRE -144 -1232 -144 -1280
WIRE -896 -1168 -992 -1168
WIRE -592 -1168 -704 -1168
WIRE -288 -1168 -384 -1168
WIRE -544 -1136 -544 -1152
WIRE -432 -1136 -432 -1168
WIRE -432 -1136 -544 -1136
WIRE -848 -1120 -848 -1152
WIRE -752 -1120 -752 -1168
WIRE -752 -1120 -848 -1120
WIRE -240 -1120 -240 -1152
WIRE -144 -1120 -144 -1168
WIRE -144 -1120 -240 -1120
WIRE -1248 -1056 -1248 -1312
WIRE -848 -1056 -848 -1120
WIRE -784 -1056 -848 -1056
WIRE -544 -1056 -544 -1136
WIRE -464 -1056 -544 -1056
WIRE -240 -1056 -240 -1120
WIRE -176 -1056 -240 -1056
WIRE -848 -896 -848 -1056
WIRE -736 -896 -848 -896
WIRE -544 -896 -544 -1056
WIRE -432 -896 -544 -896
WIRE -240 -896 -240 -1056
WIRE -128 -896 -240 -896
WIRE -736 -864 -736 -896
WIRE -544 -864 -544 -896
WIRE -432 -864 -432 -896
WIRE -240 -864 -240 -896
WIRE -128 -864 -128 -896
WIRE -848 -848 -848 -896
WIRE -592 -800 -672 -800
WIRE -288 -800 -368 -800
WIRE -896 -784 -992 -784
WIRE -848 -752 -848 -768
WIRE -736 -752 -736 -800
WIRE -736 -752 -848 -752
WIRE -544 -752 -544 -784
WIRE -432 -752 -432 -800
WIRE -432 -752 -544 -752
WIRE -240 -752 -240 -784
WIRE -128 -752 -128 -800
WIRE -128 -752 -240 -752
WIRE 544 -720 80 -720
WIRE 912 -720 624 -720
WIRE -848 -704 -848 -752
WIRE -544 -704 -544 -752
WIRE -544 -704 -848 -704
WIRE -416 -704 -544 -704
WIRE -240 -704 -240 -752
WIRE -240 -704 -416 -704
WIRE -1248 -688 -1248 -976
WIRE -848 -688 -848 -704
WIRE -848 -688 -1248 -688
WIRE 560 -592 80 -592
WIRE 912 -592 912 -720
WIRE 912 -592 640 -592
WIRE 560 -448 96 -448
WIRE 912 -448 912 -592
WIRE 912 -448 640 -448
WIRE 928 -256 544 -256
WIRE 1056 -256 992 -256
WIRE 928 -224 720 -224
WIRE -432 -160 -816 -160
WIRE -304 -160 -368 -160
WIRE 480 -160 -16 -160
WIRE 544 -160 544 -256
WIRE 560 -160 544 -160
WIRE 560 -144 560 -160
WIRE 640 -144 560 -144
WIRE 720 -144 720 -224
WIRE 720 -144 704 -144
WIRE -432 -128 -640 -128
WIRE -16 -128 -16 -160
WIRE 480 -128 336 -128
WIRE 880 -112 704 -112
WIRE -880 -64 -1376 -64
WIRE -816 -64 -816 -160
WIRE -800 -64 -816 -64
WIRE -800 -48 -800 -64
WIRE -720 -48 -800 -48
WIRE -640 -48 -640 -128
WIRE -640 -48 -656 -48
WIRE 880 -48 880 -112
WIRE 944 -48 880 -48
WIRE 1088 -48 1008 -48
WIRE -1376 -32 -1376 -64
WIRE -880 -32 -1024 -32
WIRE -480 -16 -656 -16
WIRE 544 -16 544 -128
WIRE 944 -16 544 -16
WIRE -480 48 -480 -16
WIRE -416 48 -480 48
WIRE -272 48 -352 48
WIRE -816 80 -816 -32
WIRE -416 80 -816 80
WIRE 336 80 336 -128
WIRE -1024 144 -1024 -32
WIRE -944 144 -1024 144
WIRE -1024 176 -1024 144
WIRE 192 320 -192 320
WIRE 320 320 256 320
WIRE 192 352 -16 352
WIRE -256 416 -752 416
WIRE -192 416 -192 320
WIRE -176 416 -192 416
WIRE -176 432 -176 416
WIRE -96 432 -176 432
WIRE -16 432 -16 352
WIRE -16 432 -32 432
WIRE -752 448 -752 416
WIRE -256 448 -400 448
WIRE 144 464 -32 464
WIRE 144 528 144 464
WIRE 208 528 144 528
WIRE 352 528 272 528
WIRE -192 560 -192 448
WIRE 208 560 -192 560
WIRE -400 656 -400 448
FLAG -1024 256 0
FLAG -1376 48 0
FLAG 336 80 tri
IOPIN 336 80 In
FLAG -16 -48 0
FLAG -752 528 0
FLAG -304 -160 a
IOPIN -304 -160 Out
FLAG -272 48 a0
IOPIN -272 48 Out
FLAG 1056 -256 b
IOPIN 1056 -256 Out
FLAG 1088 -48 b0
IOPIN 1088 -48 Out
FLAG 320 320 c
IOPIN 320 320 Out
FLAG 352 528 c0
IOPIN 352 528 Out
FLAG -992 -1168 a
IOPIN -992 -1168 In
FLAG -992 -784 a0
IOPIN -992 -784 In
FLAG -672 -800 b0
IOPIN -672 -800 In
FLAG -384 -1168 c
IOPIN -384 -1168 In
FLAG -368 -800 c0
IOPIN -368 -800 In
FLAG -784 -1056 phase_a
IOPIN -784 -1056 Out
FLAG -464 -1056 phase_b
IOPIN -464 -1056 Out
FLAG -176 -1056 phase_c
IOPIN -176 -1056 Out
FLAG -704 -1168 b
IOPIN -704 -1168 In
FLAG 80 -720 phase_a
IOPIN 80 -720 In
FLAG 80 -592 phase_b
IOPIN 80 -592 In
FLAG 96 -448 phase_c
IOPIN 96 -448 In
FLAG -400 656 tri
IOPIN -400 656 In
FLAG -944 144 tri
IOPIN -944 144 Out
FLAG -896 -1216 0
FLAG -592 -1216 0
FLAG -288 -1216 0
FLAG -288 -848 0
FLAG -592 -848 0
FLAG -896 -832 0
FLAG -416 -704 0
SYMBOL voltage -1024 160 R0
WINDOW 3 -481 102 Left 2
WINDOW 123 0 0 Left 0
WINDOW 39 0 0 Left 0
SYMATTR Value PULSE(-1 1 0 1e-4 1e-4 0 2e-4)
SYMATTR InstName V1
SYMBOL voltage -1376 -48 R0
WINDOW 123 0 0 Left 0
WINDOW 39 0 0 Left 0
SYMATTR InstName V2
SYMATTR Value SINE(0 0.8 80 0 0 0)
SYMBOL Digital\\diffschmitt -880 -112 R0
WINDOW 3 -56 -81 Left 2
SYMATTR Value vt=0 vh=0 Vhigh=15
SYMATTR InstName A3
SYMBOL Digital\\and -688 -96 R0
WINDOW 3 -51 111 Left 2
SYMATTR Value td=1u Vhigh=15
SYMATTR InstName A4
SYMBOL Digital\\and -400 -208 R0
WINDOW 3 -27 120 Left 2
SYMATTR Value td=10n Vhigh=15
SYMATTR InstName A5
SYMBOL Digital\\and -384 0 R0
WINDOW 3 -31 136 Left 2
SYMATTR Value td=10n Vhigh=15
SYMATTR InstName A6
SYMBOL voltage -16 -144 R0
WINDOW 123 0 0 Left 0
WINDOW 39 0 0 Left 0
SYMATTR InstName V3
SYMATTR Value SINE(0 0.8 80 0 0 120)
SYMBOL Digital\\diffschmitt 480 -208 R0
WINDOW 3 -56 -81 Left 2
SYMATTR Value vt=0 vh=0 Vhigh=15
SYMATTR InstName A7
SYMBOL Digital\\and 672 -192 R0
WINDOW 3 -51 111 Left 2
SYMATTR Value td=1u Vhigh=15
SYMATTR InstName A8
SYMBOL Digital\\and 960 -304 R0
WINDOW 3 -27 120 Left 2
SYMATTR Value td=10n Vhigh=15
SYMATTR InstName A9
SYMBOL Digital\\and 976 -96 R0
WINDOW 3 -31 136 Left 2
SYMATTR Value td=10n Vhigh=15
SYMATTR InstName A10
SYMBOL voltage -752 432 R0
WINDOW 123 0 0 Left 0
WINDOW 39 0 0 Left 0
SYMATTR InstName V4
SYMATTR Value SINE(0 0.8 50 0 0 240)
SYMBOL Digital\\diffschmitt -256 368 R0
WINDOW 3 -56 -81 Left 2
SYMATTR Value vt=0 vh=0 Vhigh=15
SYMATTR InstName A11
SYMBOL Digital\\and -64 384 R0
WINDOW 3 -51 111 Left 2
SYMATTR Value td=1u Vhigh=15
SYMATTR InstName A12
SYMBOL Digital\\and 224 272 R0
WINDOW 3 -27 120 Left 2
SYMATTR Value td=10n Vhigh=15
SYMATTR InstName A13
SYMBOL Digital\\and 240 480 R0
WINDOW 3 -31 136 Left 2
SYMATTR Value td=10n Vhigh=15
SYMATTR InstName A14
SYMBOL res 640 -736 R90
WINDOW 0 0 56 VBottom 2
WINDOW 3 32 56 VTop 2
SYMATTR InstName R1
SYMATTR Value 5
SYMBOL res 656 -608 R90
WINDOW 0 0 56 VBottom 2
WINDOW 3 32 56 VTop 2
SYMATTR InstName R2
SYMATTR Value 5
SYMBOL res 656 -464 R90
WINDOW 0 0 56 VBottom 2
WINDOW 3 32 56 VTop 2
SYMATTR InstName R3
SYMATTR Value 5
SYMBOL Misc\\battery -1248 -1072 R0
WINDOW 123 0 0 Left 0
WINDOW 39 0 0 Left 0
SYMATTR InstName V5
SYMATTR Value 100
SYMBOL sw -848 -1248 R0
SYMATTR InstName S1
SYMBOL sw -848 -864 R0
SYMATTR InstName S2
SYMBOL sw -544 -880 R0
SYMATTR InstName S3
SYMBOL sw -240 -880 R0
SYMATTR InstName S4
SYMBOL sw -240 -1248 R0
SYMATTR InstName S5
SYMBOL sw -544 -1248 R0
SYMATTR InstName S6
SYMBOL diode -128 -1168 R180
WINDOW 0 24 64 Left 2
WINDOW 3 24 0 Left 2
SYMATTR InstName D1
SYMBOL diode -416 -1168 R180
WINDOW 0 24 64 Left 2
WINDOW 3 24 0 Left 2
SYMATTR InstName D2
SYMBOL diode -416 -800 R180
WINDOW 0 24 64 Left 2
WINDOW 3 24 0 Left 2
SYMATTR InstName D3
SYMBOL diode -112 -800 R180
WINDOW 0 24 64 Left 2
WINDOW 3 24 0 Left 2
SYMATTR InstName D4
SYMBOL diode -720 -800 R180
WINDOW 0 24 64 Left 2
WINDOW 3 24 0 Left 2
SYMATTR InstName D5
SYMBOL diode -736 -1168 R180
WINDOW 0 24 64 Left 2
WINDOW 3 24 0 Left 2
SYMATTR InstName D6
TEXT -1504 280 Left 2 !.tran 20m
TEXT -232 -1376 Left 2 !.model sw sw ron=10m roff=10meg vt=0.5 vh=-0.5
TEXT -232 -1336 Left 2 !.model d d ron=10m roff=10meg vfwd=0.5 epsilon=50m revepsilon=10m
The output of the above sim files looks like below pic
output voltage
output current
And I get this error in the graphs of output voltage in phase bc and ac, output current in i(r1),i(r2),i(r3) and how to resolve it?

@, pressTABto cycle between the nicknames, spaces are not allowed. Also, see if this doesn't help you get started (in whatever you wish to do, you still haven't said). – a concerned citizen Nov 30 '20 at 14:23