0

enter image description here

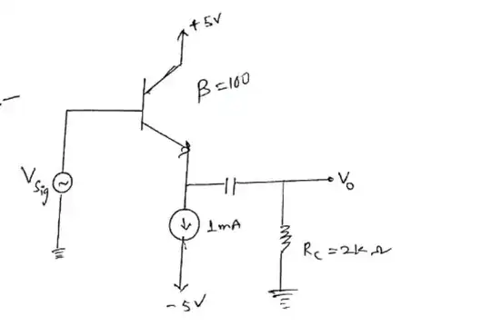
I can neglect the Early Effect for the BJT, and assume the capacitance is infinite. Using the small-signal AC model, I calculated $$r_e = 25 \Omega$$. My question is, how do I set up my equations/circuit model to find Vo/Vsig?

  • https://electronics.stackexchange.com/questions/476659/kvl-equations-for-this-small-signal-model/476666#476666 – G36 Nov 22 '20 at 22:28
  • https://electronics.stackexchange.com/questions/518032/pi-model-of-common-collector/518561#518561 – G36 Nov 22 '20 at 22:29

0 Answers0