In an opamp configurated as a unity-gain buffer, output voltage amplitude and input voltage amplitude should ideally be equal. However should the output DC level be equal to input DC level as well?
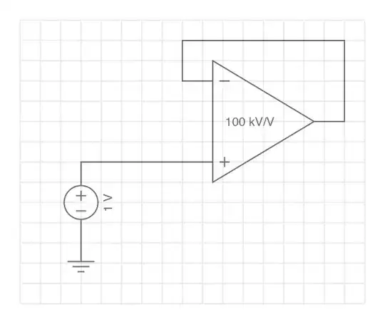
Here is the configuration of the unity-gain buffer.
source: http://www.learningaboutelectronics.com/Articles/Unity-gain-buffer

