I'm stuck confirming that the current pulled in a circuit will be 15mA.
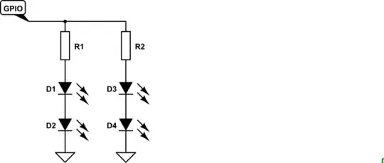
If I have hypothetical LEDs that pull 15mA each from 1.8V, and they are put in parallel (I know this is not a good idea, but just wondering what happened if is) with a 5V power input, the diagram should look something like this:
The LED's aren't actually 1.8v 15mA in the schematic,
The way LEDs work, the voltage varies very little even while the current varies a lot. That means the voltage will be approximately 1.8 V, for currents in the mA ballpark. If you set the current to exactly 1 mA, or 10 mA, the voltage will be very predictable at about 1.8 V. If you set the voltage to exactly 1.8 V, you'll have no idea what the current will be, it might be uA, it might be 100 mA. It will vary with the temperature, and the particular diode.
The way we express this is that the LEDs have a very low dynamic, or incremental, or differential, resistance.
... but lets just say that they are. Correct me if I am wrong: I supply 5V, the 213 Ω resistor drops the voltage by 3.2V.
If the LEDs are dropping roughly 1.8 V, then there will be about 3.2 V across the resistor.
This means that going into parallel, we have 1.8V, which is perfect for lighting negligible-resistance LEDs.
This is the LED nominal forward voltage. This is not perfect for lighting them, this is approximately what you get when you pass a current through them.
The LEDs at this voltage draw 15mA each.
No. The LEDs at exactly this voltage would draw anything from uA to 10s of mA. The LEDs at 15 mA will drop roughly 1.8 V, depending on temperature and the specific LED.
Now here's where my understanding ends: I know that voltage is equal for every parallel branch, 1.8V, but does the current ADD together and the total pulled current will be 60 mA because of the 4 branches?
If the LEDs somehow drew 15 mA each, then the four parallel LEDs would draw 60 mA.
I tried to calculate the current of the circuit using Ohm's law. V = IR. 5 = I * 213, I = 23.5 mA. Is the pulled current actually 23.5mA, and the current is 'used' by the resistor? Or do I calculate the total current by subtracting the resistor? (I want to make sure I'm not pulling > 40mA for an Arduino)
You've used V = 5 V in the calculation. There's not 5 V across the resistor, only approximately 3.2 V due to the LED drop, which gives you roughly 15 mA through the resistor. This will then split into the four LEDs, giving about 4 mA each (giving the figure to the precision that a parallel connection of LEDs warrants).
You could get 5 V across the resistor by shorting the far end of the resistor to ground, but then you'd have no voltage to drive the LEDs. As you let the far end of the resistor rise to 1.8 V to turn the LEDs on, the voltage across it drops to 3.2 V, so the current through it becomes lower.
The resistor doesn't 'use' current. You could regard it as 'using' the difference in voltage between the supply and the LEDs.
The reason we use a resistor here is to define an operating current for the LEDs. The resistor dominates the LED's very low incremental resistance with a real, high, resistance. That way, if the supply voltage varies, or the forward drop of the LEDs vary, the current will remain approximately the same.
I know I asked a lot of questions here and I apologize. Any help would be appreciated.
Here are some measurements I did of some diodes some long time ago.

You'll see that for the red LED (blue trace, sorry!) the current varies from 1 mA to 10 mA, a 10:1 range, while the voltage stays at about 1.8 V. Even at 10 uA, 1000 times less, the voltage on the LED is still up at 1.6 V. That's why we say that LEDs have a 'constant voltage' while the current through them varies. It's not really constant, just much much more constant than would be the case if it was a resistor.
Reading the data behind those graphs, 998 uA gives 1.825 V, and 10.01 mA gives 1.968 V. That's a change in voltage of 143 mV for a decade change in current. You can see the log/lin graph is more or less straight over that range, so we can express this relationship reasonably as voltage = k.log(current_ratio).
Now unfortunately, the LED voltage/current curve is NOT reproducible, as it varies with temperature, and varies from LED to LED slightly. Let's say that one red LED has 20 mV lower forward voltage drop than another, and you connect them in parallel. Using the LEDs of the graph, one would then take 40% more current than the other. This is why we tend to use a separate resistor to each LED. We can use LEDs in series strings safely, as they are all forced to be at the same current.
In your particular case, you have the voltage headroom to run two parallel strings of two LEDs in series. You could run each string at 15 mA, for a total Arduino-friendly draw of 30 mA. See Transistor's answer for the resistor calculations.
Let's say that one LED increased its drop by the same 20 mV we considered above. The voltage on the resistor now drops from 1.20 V to 1.18 V, which reduces the total current down from 15 mA to 14.75 mA. That's approximately 'constant', not the wild 40% change that we had for the parallel LED case.