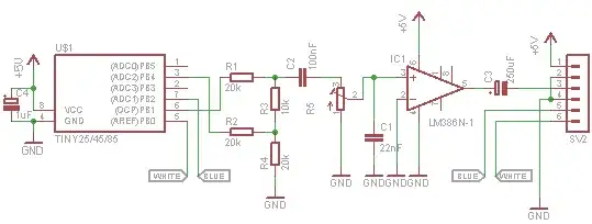
On the same power supply I have connected MAX7219, which is producing terrible noise to amplifier so I can hear refreshing frequencies of MAX7219. If I hook up amplifier to battery power supply the noise is gone. I've also tried to connect 220uF electrolytic capacitor to power supply input of this board, which decreased the noise but not removed completely. Shutting down MAX7219 for a moment, eliminates the noise. Still I can hear it even from far distance. Amplifier board is on small PCB. MAX7219 is on breadboard connected to Arduino. All powered from Arduino.
I understand breadboard wiring may produce some noises, but this one is too loud. Unfortunately I don't have the scope to tell the noise spectrum, but MAX7219 update frequency from datasheet is 800Hz.
This video is to show the sadness of situation. [watch video]

