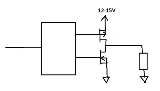
I should need a driver of a PMOS NMOS bridge with dead control controlled by a one line from the microcontroller (because I have to use several PWM lines) that inserts a dead time control to avoid both mosfets conducts at the same time. The diagram is this:

I wondered to do this because I do not need floating power supply and there are P-MOS 3x3mm that conduct 64A like NVTFS9D6P04M8L
