It is about enabling or disabling a 24V input to a device by using some number of sensors and relay(s).
I am thinking to use three relays in order to achieve my requirements stated below;
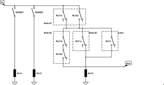
Occurrence of the states are in the desired order.
State#1:
I need 24V is interrupted when
Sensor1 HIGH
Sensor2 LOW
State#2:
I need 24V is enabled when
Sensor1 HIGH
Sensor2 HIGH
and tricky part,
State#3:
I need 24V is stay enabled after
Sensor1 LOW
Sensor2 HIGH
or
Sensor1 LOW
Sensor2 LOW
up until the State#1 is satisfied again.
So far, I have thought using 2 standard SPDT-NC relays in order to achieve an AND gate logic and using a latching relay as third one to satisfy State#3.
This is just straight forward thinking of mine and before spending money on those, I like to here your opinions.
I am not much into electrical engineering but more embedded software and digital electronics. Any input highly appreciated.
EDIT:
- Normally, the device is fed/energized under 24V. The states are only for enabling and disabling the 24V rail now and then.
- If I elaborate
State#3a bit more; If theSensor2goes LOW beforeSensor1, it shouldn't interrupt the 24V. Only whenSensor1is HIGH, the feed will be interrupted.
EDIT:
A bit more about my project:
Sensor#1 is just photoelectric sensor and it gives HIGH signal when a box passes by in front of it on the conveyor belt. And the Sensor#2 comes from somewhere else as HIGH or LOW signal. Ultimate goal to start or stop the conveyor belt by enabling or disabling 24V rail as per the sensors as I explained above.

