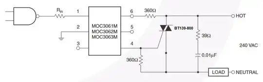
I'm using one BT139-800 TRIAC to switch a 35 W single-phase motor and one TRIAC for switching three ballasts for six fluorescent lamps with a total power of 108 W.
I'm triggering the gate of the BT139 with an MOC3063 opto-TRIAC. I'm using the circuit below for both loads with the noted resistor and capacitor values.
The problem I've encountered is that when I connect the circuit to the mains both TRIACs are already triggered and conducting.
I've started debugging by removing the opto-TRIAC which did not solve the problem. After that I've tried removing the 360 Ω resistor between gate and terminal. Obviously the TRIAC did not conduct and I was able to trigger it by carefully shorting the pins with a screwdriver. Thus I figured the problem is in the resistor, but I'm not sure what its value should be. Is there an easy way of determining the correct value? Are there any other problems with the circuit?
Also, how do I know that the snubber circuit has the correct values? The motor has a 2.5 μF starter capacitor. I guess I could eliminate the snubber circuit for the fluorescent lamps since the ballast has a power factor of 0.98 and the opto-TRIAC is zero-crossing. Is that correct?
