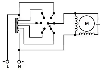
I was on the lookout for an old fan regulator. I had heard that its power consumption was constant at all speeds.
I could lay my hands on this 1970 regulator. It appears to be a transformer with rotary switch tap selection.
I am curious to know about its function especially with respect to the power consumption at different speeds.

