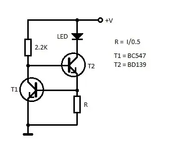
I have a question regarding this constant current source circuit:
I have seen this circuit with two BJTs (like in the figure), but sometimes T2 is a MOSFET (I assume for lower Rdson resistance and better switching performance).
However, my questions is: could both transistors T1 and T2 be MOSFETs? Is it recommendable or, would the circuit stop working properly?
Thanks!
