My aim
I'd like to use a 'normal' telephone as an audio and switch interface for a project. I want to design a circuit that has the telephone A and B wires on one side (ie. an RJ-11 socket) and has four connections for my other work on the other:
- Receive a high/low signal as to whether the phone is on or off the hook
- Receive the audio being spoken into the phone's microphone (only needed when the phone is off the hook)
- Send an audio signal which will be delivered through the phone's speaker (only needed when the phone is off the hook)
- Send a high/low signal for whether the phone should ring (only needed when the phone is on the hook)
I've been reading some old usenet posts but my electronics engineering days are a long way in my past, I can't quite decipher what I should be building. Can anyone help?
I've put a representative schematic below.

simulate this circuit – Schematic created using CircuitLab
What I think I know
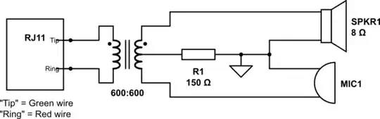
The speaker/mic
I think I can split out the speaker/mic signals like this

The ring
I think I'm also going to need an inverter in this circuit, to generate the 75vRMS 25Hz AC signal to power the ringer (UK ring is 0.4s on, 0.2s off, 0.4s on, 2 sec off).
I still need to digest this inverter circuit, but I can probably figure out the components I'd need for the above (though I'd probably have difficulty isolating it properly)
The off-hook detection
I don't know if I need to generate the 50V base voltage that a telephone network usually provides — I imagine this requirement will come from being able to detect if the phone is off the hook or not.
Where I need your help:
- I don't know how I'd stop the ringer signal from impacting the mic/speaker setup
- I don't know if anything above is very wrong
Does anyone have any advice?