Why don't the currents in those two circuits change the same way when I change voltage of the voltage sources?
-
What is the point of using the BJT in the unrealistic circuit? We never use the BJT this way. And do not forget that the BJT is nor a symmetrical device. https://electronics.stackexchange.com/questions/415955/how-does-this-bjt-affect-the-circuit-if-it-does-how-should-i-simulate-on-circu/416242#416242 – G36 Feb 16 '20 at 13:22
1 Answers
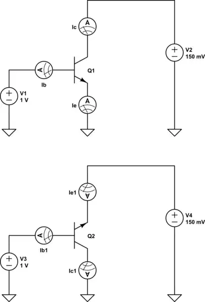
For correct operation of an NPN bipolar transistor the Collector should be more positive than the Emitter. If the voltage is reversed then the Collector and Emitter swap roles, the Collector effectively becoming an Emitter and the Emitter a Collector. In this 'reverse' mode the current gain is very low, but the Collector-Base junction is usually larger than the Emitter-Base junction so it can draw more current when forward biased. This is why the Base and Collector currents are higher in the second circuit.
Here are your circuits redrawn with voltages relative to the "Emitter" (Collector terminal in the second circuit):-

simulate this circuit – Schematic created using CircuitLab
In the first circuit the voltage between Collector and Emitter is -0.85 V + 1 V = +0.15 V. In the second circuit it is -1 V + 0.85 V = -0.15 V. That is why the Collector and Emitter currents in the first circuit are both positive, while in the second circuit they are negative.
To see normal transistor action you should:-
Apply a higher positive voltage to the Collector. To keep the transistor out of saturation the Collector-Emitter voltage should be >= +1.0 V.
Keep the Base-Emitter voltage below 1 V to reduce Base current. The normal operating range is ~ +0.6 V to +0.8 V.
- 56,322
- 1
- 48
- 93

