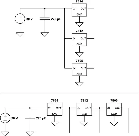
I have a 30V power source and I need to get several different voltages from it using linear regulator. 24V for op amps, 12V for relays and 5V for MCU. They all going to be installed on a heatsink.
If I wire them in parallel 7805 regulator have to drop 25V and that means a lot of heat. if I wire them in series all of the current is going to pass through the 7824 regulator and that is going to generate a lot of heat too.

simulate this circuit – Schematic created using CircuitLab
I know linear regulators basically are not efficient but for this specific project I need a linear output.
Comparing this two configuration, which one is more efficient? series or parallel?