If I am using a CMOS switch, how much do I have to slow down the switch time so that I don't experience a pop in my audio signal out of my amplifier and how would I accomplish that?
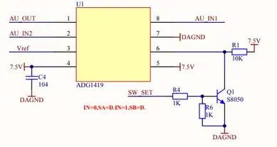
The switch time is currently on the order of nanoseconds which is unnecessary and causing a loud click/pop. The switch basically alternates between two input signals as fast as possible. Currently I'm using the ADG1419, but I can be open to using other chips. I do not want to experience any latency, which I believe is a 3-5ms audible threshold. Thanks!
Update: Here is a picture of my oscilloscope capturing the switch when both audio inputs are the same. I read that in pedal design, if the switches switch to quickly there will be a pop/click.

