I want to experiment with amplifiers but I need a negative power voltage source.
I looked for some circuits but as far as I found they either are not simple & reliable or require an IC.
Is there any simple way to get negative power supply without using a railsplitter IC or AC power source?
Also I read about these 'virtual grounds' but I couldn't figure it out. Is it like ; we choose a positive voltage point as ground so technically the real ground is more negative relative to positive point we chose?
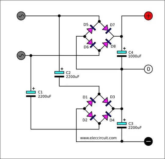
This one works well but needs an AC power supply and high capacity and voltage capacitors and they take a lot of space but so far best I could find.
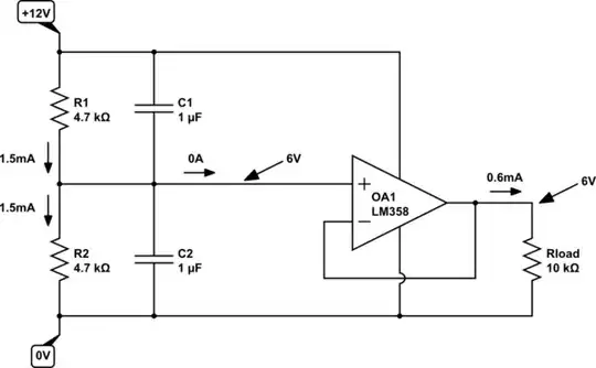
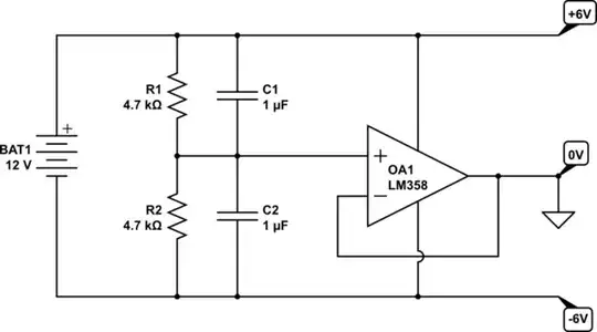
This one looks simpler and doesn't need an AC source or big capacitors but either I can't understand how it works or it doesn't work that well.
Edit: If what I want is not possible, can you recommend some ICs for it? I can order them from abroad because they're not common in my country and this why I asked about circuits that don't involve them in the first place.
Edit I think I was not clear about what I want:
I specifically don't want a circuit which requires an AC power supply because yes I know it's so easy to make a circuit like that.






real ground... a ground is the point in the circuit that you choose to be your reference point ... you place the negative terminal of your voltmeter on that point – jsotola Aug 25 '19 at 22:02