We're building a motor-drive circuit using an L6206 dual H-bridge circuit. The bottom side of its H drivers come out of a pin called \$V_{sense}\$, intended to be connected to ground or to a low-side current-sense circuit. I'm expecting to drive motors with PWM up to an amp or two.
I want a logic sense line to indicate whether there's any current flowing (say \$>10mA\$), or not. It's essentially detecting the operating presence of the (removable) motor.
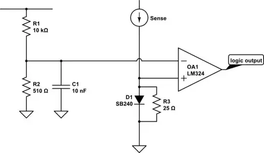
I think I can do this by comparing the voltage drop across a Schottky diode with an approx \$0.25V\$ reference. I'm thinking of using a divider to create a weak \$0.25V\$ voltage source from my \$5V\$ power supply, a \$2A\$ Schottky diode (eg SB240, \$V_f=0.5V\$ at \$2A\$) with a small \$25\Omega\$ bypass resistor to eat any leakage, and a comparator (eg LM324 op-amp, or LM339) to create the \$5V\$ logic result.

simulate this circuit – Schematic created using CircuitLab
Wherever I have looked up designing current sense circuits, there is always a low-value power resistor to create the voltage drop. I haven't found any that use a diode. I think that a Schottky diode is perfect: its voltage drop will clamp off nicely so it won't waste heat, it's cheap and simple.
Perhaps everyone else is interested in measuring the current level, where I just want to know if there is a current at all? Or, they only care about being close to a maximum current, where I want a minimum?
Why don't I see any diode-based current sensors?
Note: my logic output essentially goes into a latch, so I don't care that the signal will flap around with the PWM.



