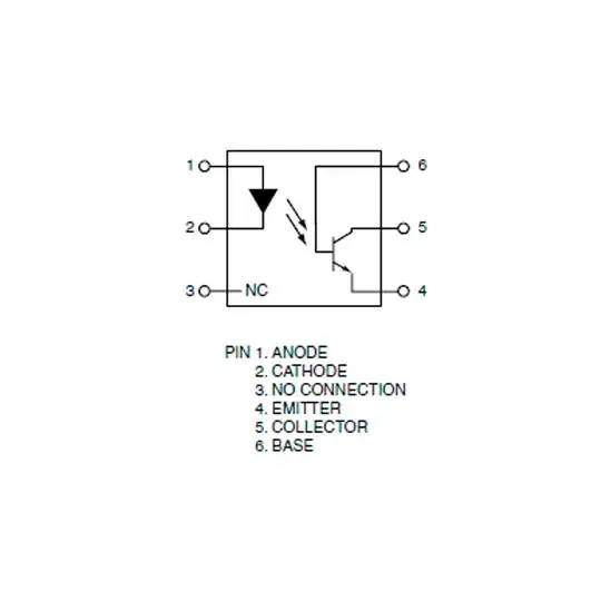
I was wondering why the 4N27 optocoupler has a pin for base of the phototransistor - and of course how to connect it.
I've usually dealt with PC817 optocouplers and connected them according to the schematic.
Now I want to do the same with 4N27 (pinout on the picture below,) so do I have to leave the base pin floating, or pull down it?

