0

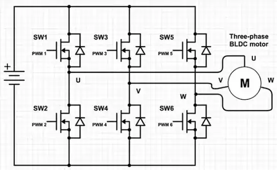
I am fixing a brushless motor driver that has 6 MOSFET transistors, 2 transistors for each coil.

enter image description here

I have found that SW5 is burned so I changed it and everything now works well. However, I have heard many people working in repair shops that they prefer to change the whole set of transistors or to change some transistors even if they work well because they claim that even working transistors could have got deteriorated due to the burned transistor. Or to make sure that all the new transistors have the same characteristics so they will open and close simultaneously to get the right control signals for the motor.

My questions are:

  1. Should I change only the burned transistor or not?

  2. If I should change the other transistors as well, can I change only SW2 and SW4 since those are the ones that complete the circuit with SW5 and the motor coil? (Changing the whole set of transistors is not cost efficient, it could be better to change the whole driver.)

  3. Is there anything else that I should pay attention to so I can guarantee that the customer doesn't get back to me with another fault?

JYelton
  • 34,119
  • 33
  • 145
  • 265
Macit
  • 696
  • 2
  • 8
  • 16
  • The FETs in the other legs of the bridge are less likely to have been damaged by a short in SW5, since they have the motor impedance that limits the amplitude and rate of rise of current, but SW6 could potentially have seen shoot-through current after SW5 failed so that's the one I'd look to change. – Phil G Jun 28 '19 at 15:55
  • Did you replace with a transistor of the same type? – DKNguyen Jun 28 '19 at 16:08
  • @DKNguyen Yes I did – Macit Jun 28 '19 at 16:15

2 Answers2

1

I have heard many people working in repair shops that they prefer to change the whole set of transistors or to change some transistors even if they work well because they claim that even working transistors could have got deteriorated due to the burned transistor.

Yes, often the other FETs have been stressed and may be partially damaged. In particular, if one FET fails to a short (as they usually do) the FET(s) in the other leg of that phase (SW6 in your case) will have been driving into a dead short. Replacing both FETS - even when the other one appears to be OK - is a good policy.

Should I change only the burned transistor or not?

Take the risk, or play it safe and do the lot? That's up to you to decide.

When repairing a brushless controller I first examine all the FETS for physical signs of damage (burned or cracked case, stuff oozing out the ends etc.) and test each one for shorts or low resistance between Gate/Source/Drain. Then I remove the ones I suspect are faulty, put in just enough new FETs to get the controller working, and test it on a current-limited power supply with a low power motor. If it passes that test then I install the rest of the new FETs (if there were several in parallel) and test it again with full load.

In my experience, if more than one phase has a blown FET it is best to replace the lot. However sometimes even that doesn't work because the controller has some other issue, and then it is not worth the time and effort to repair.

Or to make sure that all the new transistors have the same characteristics so they will open and close simultaneously to get the right control signals for the motor.

Yes, unless you are sure that any differences are benign you should only use FETs with the same characteristics. In particular, Gate threshold, recommended drive voltage, and total Gate charge (QG) should be similar, to ensure that the new FETs turn on and off at the same speed. If several FETs are paralleled then they should also have similar on-resistance at the applied Gate drive voltage, to ensure that they share the current equally.

Of course Gate/Source and Drain/Source voltage ratings must also be the same or higher. However higher voltage parts often have other differences that make them unsuitable.

If I should change the other transistors as well, can I change only SW2 and SW4 since those are the ones that complete the circuit with SW5 and the motor coil?

No. If SW2 and SW4 are faulty then they will have stressed SW1 and SW2 as well. However the motor coil (unless also shorted) should provide some protection for FETs in other phases. It's worse for FETs in the same phase because there is nothing to prevent a massive 'shoot-through' current when one FET shorts.

Is there anything else that I should pay attention to so I can guarantee that the customer doesn't get back to me with another fault?

Make sure the controller can drive a full load with expected power and rpm for a prolonged period, with smooth speed control and no FETs getting hotter than others. A controller with weak FETs may appear to work OK at light load, but run rough or at lower rpm under full load.

Bruce Abbott
  • 56,322
  • 1
  • 48
  • 93
0

1- Should I change only the burned transistor or not?

The transistors need to be matched with the same type model to keep rdson and capacitance consistent. If the transistors aren't matched this could create timing differences or current differences between coils, which would reduce the efficiency of the motor controller.

2- If I should change the other transistors as well, can I change only SW2 and SW4 since those are the ones that complete the circuit with SW5 and the motor coil? (Changing the whole set of transistors is not cost efficient, it could be better to change the whole driver)

The transistor should be the same part number as the other transistors. I do know that some transistors/components vary from batch to batch, while I doubt that these variations would make a difference because the same part numbers would all be in spec, if you really wanted to replace all of them. Another reason for replacing all of them is sometimes when you burn out one transistor in an h-bridge, the other fet could have been thermally stressed, so it may be partially damaged (which I have seen before). Its a cost/time vs do you want to do a good job sort of thing.

3- Is there anything else that I should pay attention to so I can guarantee that the customer doesn't get back to me with another fault?

Make sure you use proper ESD procedures (straps and mats). See my answer here: Questions on basic ESD safely fets can be particularly sensitive to ESD because of the thin gate material.

Voltage Spike
  • 82,181
  • 41
  • 84
  • 220