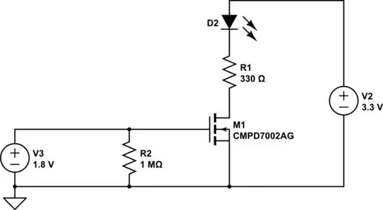
I am driving a red LED with a forward voltage of approx. 2 V as shown in the picture. The driving signal comes from a microcontroller with a logic HIGH of 1.8 V. The LED is being sourced from an independent supply of 3.3 V. The circuit works, but there is something in my measurements that I can't explain.
I measured 3 mA through the LED branch. I need more current through the LED (about 10 mA would be ideal). Then I reduced R1 in steps until I had about 10 Ω, yet the current in the LED did not change much. Sometimes I measured about 8 mA at the beginning of the measurement which after some seconds ended up at 4 mA.
Why is this happening? I also reduced R2 but it seems to have no effect either.
How could I increase the LED using a control signal of 1.8 V and powering the LED with 3.3 V?

simulate this circuit – Schematic created using CircuitLab

