0

schematic

simulate this circuit – Schematic created using CircuitLab

iagramI am attempting to create a high side switching circuit for a string of LEDs wired in parallel. There are multiple strings, all wired together, which share a common ground, so low side switching is not an option.

I have found a schematic for a high side switching network, which looks promising. However, I am unclear on how to determine the proper value of the resistors. Any help would be appreciated.

The intent is to control the circuit with a PWM signal from an Arduino, Rasberry Pi, or similar.

  • What is the voltage level and current for your LEDs. Are they simply LEDs in parallel or do they have series resistors to limit the current in each device? Without this information it's impossible to help you. – Jack Creasey Jun 10 '19 at 16:00
  • Please use the built-in schematic editor to draw a complete schematic of how you plan to connect the LEDs. We also need a link to the manufacturer's datasheet for the LEDs themselves. – Elliot Alderson Jun 10 '19 at 16:02
  • Never start a design without specs and tolerance for input and outputs. V, Amps. Why reinvent the wheel? https://www.digikey.ca/products/en/integrated-circuits-ics/pmic-power-distribution-switches-load-drivers/726?k=&pkeyword=&sv=0&pv1112=1&pv1112=912&pv1112=893&pv1112=915&pv1112=520&pv1112=888&pv1112=877&pv1112=892&pv1112=817&pv1112=63&pv1112=612&pv1112=614&pv1112=619&pv1112=215&pv1112=74&pv1112=673&pv1112=261&pv1112=365&pv1112=299&sf=1&FV=ffe002d6%2C1f140000&quantity=&ColumnSort=0&page=1&stock=1&pageSize=500 – Tony Stewart EE75 Jun 10 '19 at 16:19
  • @JackCreasey The LEDs are 3V each, with no series resistor. Forward current is 20mA. – StevePoulsen Jun 10 '19 at 19:02
  • @ElliotAlderson, Didn't even realize there was a schematic editor. Thanks for that, it will likely make so many future questions easier. I've also Edited my original post to include a schematic. The Boxed Area is where the Questions are. – StevePoulsen Jun 10 '19 at 19:16
  • As drawn, your circuit will not work, or will work horribly. LED's want to be driven by a constant current, not a constant voltage. As drawn, that circuit is either a device for knocking a 9V supply to its knees, or burning up LEDs. Even if you supplied each string of LEDs with a constant current, one of them would steal it all from the rest. If the LED arrays are purchased, then please replace them with blocks with a note on their voltage and current requirements. – TimWescott Jun 10 '19 at 19:27

1 Answers1

-1

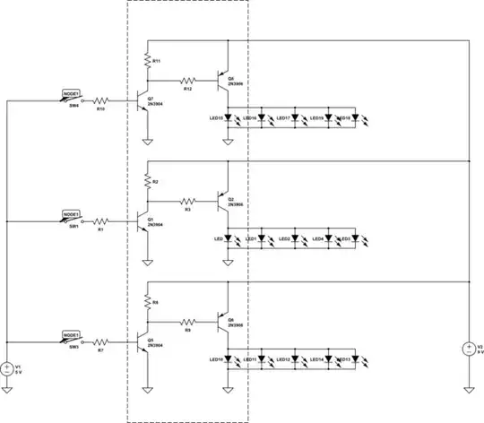
schematic

simulate this circuit – Schematic created using CircuitLab

A circuit similar to this I take it. Where each of the CLK signals go to an arduino to generate the PWM? The drive resistors need to be (5v-(Vf of LED)-(Von of transistor))/10mA (V=IR or V/I=R) and the LED usually need around 10mA for good full drive. Note: Each input will turn on the LED when it is low and not high. A low turns on the transistor.

Lonewolf
  • 32
  • 4