Design Problem:
Since I moved into my dormitory for university, I wanted to have a simple audio setup which had a good frequency response. Therefore I bought the Edifier R1280DB, a bookshelf speaker. However, since I'm a basshead I really missed the lower frequency's. Therefore I wanted to attach a subwoofer. The frequency response of the r1280t (same model, but without the bluetooth) is seen in the image below.
If you take a look at the green and the red line (which I assume the transfer for the woofer and the tweeter), you can see that the bass frequency rolls off pretty quickly after 100 Hz. Therefore my subwoofer needs to fix that. Also, the speaker doesn't have a dedicated subwoofer port so I need tap the left speaker and convert it to a low level signal. Also, I thought that a 100w subwoofer seemed a good fit for my setup and thus is the goal.
Design solution:
My roommate had a broken Logitech Z623 laying arround, which I got from him. I stripped the whole thing and rebuilt it into the subwoofer system. I came up with the following solution:
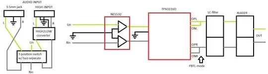
As you can see I can switch between a 3.5mm jack (if used in other setups) and the high level output of my Edifier speakers. I used a xh-M571 amplifier from aliexpress. Since the thermal paste was pretty crappy, I decided to remove it and replace it.
It is powered by a 150 W ali PSU, which said it was recommended for a 80% load. So that means 120 W and is thus in spec. Also, all ground connections are connected to this PSU. I also checked out how the board worked (since I was sceptical of the 150w rating), of which my findings can be seen on the right side of the image.
What I found out was that there was a amplifier circuit (NE5532) which can configure if the speaker can function as a speaker or a subwoofer. I used the subwoofer mode since it gave the best low response to my ears. Then it goes into the TPA3116D2, which is configured in a PTBL mode which can deliver 100 W to a 4 Ohm load and 60 W to an 8 Ohm load. Then as specified in the datasheet, a filter is needed. Then the output goes to a Buck-Boost converter (XL6019) which can boost the 24 V from the TPA to a max of 48 V at 1.5 A. So that means 48*1.5*2 = 144 W, which is as specified and is more than sufficient for my build.
However, as you can see some things are missing since I didn't have the time to implement this (and I couldn't wait using it). Namely a crossover and a cut off with a variable resistor. But I plan doing this in the future.
The problem:
For some reason the amp cuts out at high volumes (sometimes also at normal volume (speaking volume) with music which has a very irregular bassline or a drop) and I'm really not sure why. I tried hooking up a capacitor bank of 4.4 mF (50 V) to the PSU to ensure that if current surges occur the cap can deliver the current. However, this seemed to have no effect. I read somewhere that the Z623 subwoofer has a resonance peak at 50 Hz, so I tried to eliminate via an EQ. However, the amp still cuts out at specified conditions.
So my question is; What can cause this issue? Do I really need to implement a crossover to eliminate this issue or am I overlooking something?
Also, side question. I noticed that there is a ground loop somewhere. I can remove this noise with a 3.5mm jack to my pc (while the audio is coming out of my high input). How can I fix it without the 3.5mm plugged in the whole time?
Sources:
- http://forumphones.com/2018/03/11/rapid-test-multimedia-speaker-system-edifier-r1280t/
- http://www.ti.com/lit/ds/symlink/ne5532a.pdf
- http://www.ti.com/lit/ds/symlink/tpa3116d2.pdf
- http://www.xlsemi.com/datasheet/XL6019%20datasheet-English.pdf
If necesarry I can post the links to the ali-express components.
EDIT: I noticed that I forgot to mention that since I only have a left signal available that the high input has the cables bridged from the left to the right input (just a wire, so not permanent). Since most music has the lower frequencies (especially below 100 Hz) centered, this seems to not be a big issue for my setup.
EDIT2:
As requested from Sunnyskyguy, here is the impedance measurement of the speaker:
