0

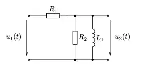
I am trying to create Bode diagram for the following circuit: enter image description here

First I create the transfer function, I arrive to a point that looks like this (C is not capacity, sorry for bad name choice):

enter image description here

I don't understand how do I transform 1/jω to jω.

Petr Peller
  • 121
  • 3
  • I'm not following your transfer function as it relates to that circuit. Are you attempting to find $H(s=j,\omega)=\frac{u_2\left(t\right)}{u_1\left(t\right)}$? – jonk Apr 30 '19 at 17:15
  • multiply numerator and denominator by j omega. – Mattman944 Apr 30 '19 at 17:26
  • @Mattman944 I was thought to always have numerator equal to 1 or 1 + j(/0) and denominator as 1 + j(/0) ... If I multiply by j I'll have numerator equal j. :( – Petr Peller Apr 30 '19 at 17:37
  • @jonk Yes, that's what I am trying to find. I think P can by replaced by H. – Petr Peller Apr 30 '19 at 17:38
  • @PetrPeller What exactly is $C$? Just a constant you want? – jonk Apr 30 '19 at 17:59
  • @jonk Yes, just something to assign the expression to. Just imagine the value is assigned on the left side. It has no meaning. – Petr Peller Apr 30 '19 at 18:08

3 Answers3

2

"How do I transform 1/jω to jω"

You don't. Although 1/j=-j Here you were incorrectly assuming a 1st order LPF function instead of an HPF.

LPF function \$~ \dfrac{A}{1+j(\omega / \omega_c)} \$
with HPF function \$\dfrac{A ~j(\omega / \omega_c)}{1+j(\omega / \omega_c)} \$

Instead of C use ωc where \$T = 1/\omega _c = L/R_{eq}\$ .

The constant A is the R attenuation ratio which has a parallel Req value..

Tony Stewart EE75
  • 1
  • 3
  • 54
  • 185
1

Since you are looking to develop \$P\left(s\right)=\frac{u_2\left(s\right)}{u_1\left(s\right)}\$ in that circuit, it's not too complex. I assume you know that it's just a divider topology, so:

$$\begin{align*} P\left(s\right)=\frac{u_2\left(s\right)}{u_1\left(s\right)}&=\frac{R_2\,\mid\mid\, L_1}{R_1+\left(R_2\,\mid\mid\, L_1\right)}\\\\ &=\frac{\frac{R_2\,\cdot\, s\,L_1}{R_2\,+\, s\,L_1}}{R_1+\frac{R_2\,\cdot\, s\,L_1}{R_2\,+\, s\,L_1}}\\\\ &=\frac{s\,L_1\,R_2}{R_1\,R_2+s\,L_1\left(R_1+R_2\right)}\\\\ &=\frac{s\frac{L_1}{R_1}}{1+s\frac{L_1}{R_1\,\mid\mid\, R_2}} \end{align*}$$

If you set \$\omega_{_0}=\frac{R_1\,\mid\mid\, R_2}{L_1}\$ and set \$\sigma=0\$ (because you aren't interested in that part of \$s\$) so that \$s=j\,\omega\$, then this becomes:

$$\begin{align*}P\left(j\,\omega\right)&=\frac{j\,\omega\frac{L_1}{R_1}}{1+j\frac{\omega}{\omega_{_0}}}\\\\&=\frac{A\,j\frac{\omega}{\omega_{_0}}}{1+j\frac{\omega}{\omega_{_0}}}\text{, where }A=\frac{R_2}{R_1+R_2}\end{align*}$$

\$A\$ is usually interpreted as the voltage gain or attenuation (depending on its value, of course.) I think you can see where it comes from in the circuit, too.

The class of all \$1\$\$^\text{st}\$ order high pass filters can be completely analyzed by setting \$\omega_{_0}=1\$ and \$A=1\$, so that the simplifying high-pass filter is \$\frac{s}{1+s}\$. (All low-pass filters can be completely analyzed using the simplifying \$\frac{1}{1+s}\$.) See digressions on passive filters or, for putting a \$2\$\$^\text{nd}\$ order low-pass filter into standard form see 2nd order standard form.

This last link to the \$2\$\$^\text{nd}\$ order low-pass filter also provides a technique for generating a Bode plot by hand. It's for a low-pass, but the basic ideas remain. In a standard \$1\$\$^\text{st}\$ order high-pass filter, the corner angular frequency will be \$\omega_{_0}\$ (you can convert that to a frequency using the usual \$\omega_{_0}=2\pi\,f\$ and solving for \$f\$) and will be \$0\:\text{dB}\$ at higher frequencies (well, technically, no circuit goes to infinity as other parasitics always make a high-pass filter into a band-pass filter.) However, in your case, you know that \$A=\frac{R_2}{R_1+R_2}\$ (which almost certainly isn't 1), so you know this won't be \$0\:\text{dB}\$ but instead will be \$20\cdot\operatorname{log}_{10}\left(A\right)\$. Prior to the corner frequency for a \$1\$\$^\text{st}\$ order high-pass filter, the decline as you move down in frequency (usually graphed leftward away from the corner frequency) will be \$20\:\text{dB}\$ per decade (frequency.) So the sloped line is easy to draw.

jonk
  • 77,876
  • 6
  • 77
  • 188
  • Hi Jonk, if you factor $j\frac{\omega}{\omega_0}$ in the numerator and the denominator, you'll end up with $H(s)=A\frac{1}{1+\frac{\omega_p}{s}}$ which is the correct low-entropy form with an inverted pole and a leading term of a gain/attenuation dimension. – Verbal Kint Apr 30 '19 at 20:47
  • @VerbalKint I always love reading your comments (and posts when you have the time.) You expose me to better ideas and I've enjoyed it. (I'm trying to stay closer to the "straight and narrow" in my posts, though.) I have just recently acquired a copy of one of your books, by the way, and have just recently started to read it! ("Linear Circuit Transfer Functions: An Introduction to FAST Analytical Techniques.") Thanks! – jonk Apr 30 '19 at 20:52
  • @VerbalKint By the way, your book kindly refers to Dr. Middlebrook. (Dr. Middlebrook has passed away, of course, and Ardem Associates is defunct.) But I also recall he had hoped that the D-OA concepts would be promoted by others and was generally disappointed in his later years that he wasn’t able to get more papers accepted for publication. I'm so glad to see your book refer to him. – jonk Apr 30 '19 at 21:16
  • Thanks for an extensive answer, I'll read through it in more detail tomorrow as it's getting bit late for me now.

    @VerbalKint Is there a hard rule on what form you should get? Seems harder to work with j in denominator. My class slides seem to prefer the form with j(/1) in numerator and 1 + j(/2) in denominator.

    – Petr Peller Apr 30 '19 at 23:54
  • @PetrPeller In the case I've presented he's saying that I came very close to following an idea from Dr. Middlebrook; with $H_{0}=A$ being the static gain and where the numerator expresses the zeros and the denominator expresses the poles in an immediate and simply-read fashion. Here, it's more of a trivial comparison (one that doesn't highlight as well as it might) because the pole is exactly at $\omega{_0}$ regardless of how I write it and it's still pretty easy to see. But it's not "low entropy" because I left the numerator "looking like" there might be a zero there (when there isn't.) – jonk May 01 '19 at 03:56
  • @jonk Thank you for the kind words on my comments and contributions. Dr. Middlebrook's work has been instrumental in the power electronics domain (switching converters) and later in the analysis domain with the extra-element theorem. In my last book, I've tried to introduce the FACTs in a simple easy-to-read manner as a stepping stone for higher-level papers or books like Vorpérian's for instance. Hope you'll like it : ) – Verbal Kint May 01 '19 at 06:37
  • @PetrPeller The low-entropy format is a way to highlight the presence of gain/attenuation, poles and zeroes (if any). It actually formats the equation to fit a future design strategy. In your circuit, you can see there is a zero at the origin (when $s=0$, the inductor is a short circuit and $V_{out}$ is zero) but the coefficient in the numerator is useless for design purposes. What you want is an expression showing where the magnitude inflection occurs and what is the magnitude when the pole kicks in. The proposed compact expression with an inverted pole fits these requirements. – Verbal Kint May 01 '19 at 06:42
  • @VerbalKint I really appreciate the work and creativity so far in the book I have. I know you've written some since then and I will examine and then buy them, as well, when I get some time I feel is there to read them. I really do appreciate your thoughts and they read well in English, so I have even more respect for your efforts in all this given your French background. I had no idea prior to your posting here, so I'm very glad you took some moments here. It exposed me to novel ideas I wouldn't have other been exposed to. Thanks!! I know some of what it takes. And I much appreciate the gift. – jonk May 01 '19 at 06:49
  • @VerbalKint I have just recently started studying this so I don't really understand half of the terms you are mentioning. In our class they teach us to use the form I mentioned above so we can use simple properties of log to figure out how the graph would look like. This was actually a homework assignment which I have completed here: https://www.icloud.com/photos/#0Kn66bUDnv1-eLDB66fQRO2dg – Petr Peller May 01 '19 at 09:52
0

Well, we have the following transfer function:

$$\mathcal{H}\left(\text{s}\right):=\frac{\text{U}_2\left(\text{s}\right)}{\text{U}_1\left(\text{s}\right)}=\frac{\frac{1}{\frac{1}{\text{R}_2}+\frac{1}{\text{sL}}}}{\text{R}_1+\frac{1}{\frac{1}{\text{R}_2}+\frac{1}{\text{sL}}}}=\frac{\text{LR}_2\text{s}}{\text{R}_1\text{R}_2+\text{L}\left(\text{R}_1+\text{R}_2\right)\text{s}}\tag1$$

Finding the bode diagram, we need to set \$\text{s}:=\text{j}\omega\$, so we get:

$$\underline{\mathcal{H}}\left(\text{j}\omega\right)=\frac{\text{LR}_2\text{j}\omega}{\text{R}_1\text{R}_2+\text{L}\left(\text{R}_1+\text{R}_2\right)\text{j}\omega}\tag2$$

Finding the absolute value of \$(2)\$, we get:

$$\left|\underline{\mathcal{H}}\left(\text{j}\omega\right)\right|=\left|\frac{\text{LR}_2\text{j}\omega}{\text{R}_1\text{R}_2+\text{L}\left(\text{R}_1+\text{R}_2\right)\text{j}\omega}\right|=\frac{\left|\text{LR}_2\text{j}\omega\right|}{\left|\text{R}_1\text{R}_2+\text{L}\left(\text{R}_1+\text{R}_2\right)\text{j}\omega\right|}=$$ $$\frac{\text{LR}_2\omega}{\sqrt{\left(\text{R}_1\text{R}_2\right)^2+\left(\text{L}\left(\text{R}_1+\text{R}_2\right)\omega\right)^2}}=\frac{\text{LR}_2\omega}{\sqrt{\text{R}_1^2\text{R}_2^2+\text{L}^2\left(\text{R}_1+\text{R}_2\right)^2\omega^2}}\tag3$$

For the argument we get:

$$\arg\left(\underline{\mathcal{H}}\left(\text{j}\omega\right)\right)=\arg\left(\frac{\text{LR}_2\text{j}\omega}{\text{R}_1\text{R}_2+\text{L}\left(\text{R}_1+\text{R}_2\right)\text{j}\omega}\right)=$$ $$\arg\left(\text{LR}_2\text{j}\omega\right)-\arg\left(\text{R}_1\text{R}_2+\text{L}\left(\text{R}_1+\text{R}_2\right)\text{j}\omega\right)=\frac{\pi}{2}-\arctan\left(\frac{\text{L}\left(\text{R}_1+\text{R}_2\right)\omega}{\text{R}_1\text{R}_2}\right)\tag4$$

Jan Eerland
  • 7,790
  • 12
  • 21