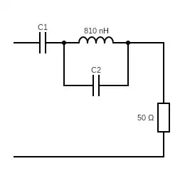
The value of C1 is 680pF and C2 is 220pF.
I think this is a series resonant circuit with a parallel capacitor C2 to the inductor.
My question is how can I calculate the resonant frequency from this circuit? And what is the effect of the capacitor C2 to the circuit? Is C2 increases the inductance?
It would be appreciated if any one can help.


