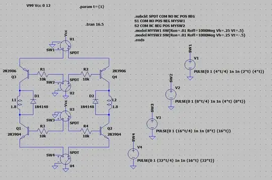
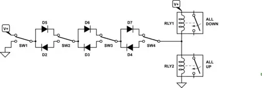
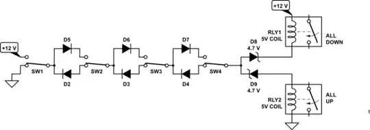
I want to make multiple AND gate input device. I have 4 locks (3 wires each; common, lock and unlock state) I want to monitor those states from locks and connect them to inputs (IC inputs) so when I have all 4 locks in the same state (all lock state or all unlock state).
This is what AND gate is for, to have one active output if all 4 conditions are same. Basically I need two IC, (AND groups) one for LOCK, and another group for UNLOCK. I want to make it as simple as possible. If anybody can suggest how to connect it, drawing, power supply is 12V and I output needs to control small 12V relay. What IC is the best for this?
Thanks in advance!
Table 1. Truth table for relay logic. OP to edit.
A B C D | RLY1 RLY2
------------+------------
0 0 0 0 | 1 0
0 0 0 1 | 0 0
0 0 1 0 | 0 0
0 0 1 1 | 0 0
...
1 1 1 0 | 0 0
1 1 1 1 | 0 1






