1

I'm dealing with a module where the block diagram is given as follows:

enter image description here

The datasheet can be found both at here and an alternative one here.

When I perform a continuity test with a multi-meter between I/O Common and the Power Common pins, there is continuity and the multi-meter shows 0 Ohm.

But it seems according to what the datasheet tells and so the block diagram there must be isolation between these pins. Can I be wrong making conclusions about isolation by using a multi-meter?

user1245
  • 4,125
  • 4
  • 38
  • 95

1 Answers1

2

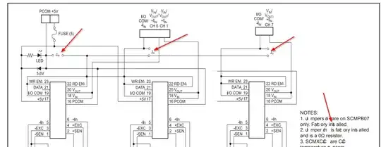
Looks like there are jumpers, that are not shown as installed, but are installed by default on your back panel:

enter image description here

Given the comment Peter Smith noted about keeping voltage between I/O common and power common low (< 3V), we might assume there is something like a TVS in there, and the intended purpose of the isolation is just to prevent ground loops, so it's intended to be connected at some defined external point.

Spehro Pefhany
  • 397,265
  • 22
  • 337
  • 893
  • But how come it makes it isolated as they claim? – user1245 Apr 05 '19 at 14:34
  • Don't understand the question. – Spehro Pefhany Apr 05 '19 at 14:40
  • @atmnt: The isolation claim appears solely related to input and output isolation. – Peter Smith Apr 05 '19 at 14:50
  • What confuses me is this. If at the end of the day they provide path between those two pins what is the point to isolate the power ground and I/O ground inside the module since they violate that isolation anyway later when mounted. Hope more clear what I dont get. Thanks – user1245 Apr 05 '19 at 14:52
  • @atmnt Think of the power common as being for power and conducting a fair amount of current. So any trace or wire you connect to that will have some voltage drop. Your I/O ground is the reference ground for your output signal. You would like that to be connected to a point, such as the input of a data acquisition system. No current to speak of flows through that conductor. So if you have several modules connected to one power supply and the input of your data acquisition system is common between channels you would want only one jumper. Otherwise one on each channel. – Spehro Pefhany Apr 05 '19 at 15:01