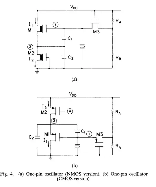
I have been working on design for which I have a reference schematic. I came across the following crystal setup:
I've always seen crystals being connected to two pins on an MCU, like XIN and XOUT with its corresponding capacitors to make up for the required load capacitance.
In the reference design, the crystal is connected only to the XIN pin—in fact, there is no XOUT pin. At the beginning I thought it was an active oscillator but it is indeed a simple crystal.
How does this work? Does it have to do with series/parallel resonance of the crystal?
Thanks


