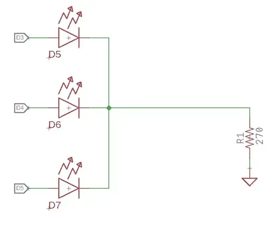
In the photo below I would like to use a single resistor after the LEDs, instead of having individual resistors before the LEDs. Is this problematic? Will it work?
-
3No, there are tolerances inbetween one LED and another. The LED with the lowest Vf will carry a lot more current then the others. – Unimportant Feb 23 '19 at 22:15
-
3Looks like Diode OR logic ;) but problematic due to sharing current and voltage drop. – Tony Stewart EE75 Feb 23 '19 at 22:22
-
How are the LEDs driven? What is controlling the terminals D3, D4 and D5? – Vladimir Cravero Feb 24 '19 at 08:31
-
Strictly speaking, you shouldn't be connecting LEDs in parallel even if they are of the same type. This question has been asked a good number of times: here, here, here. – Nick Alexeev Feb 24 '19 at 18:13
2 Answers
You can do that safely if:
- Only one LED is on at a time.
- The voltage of the circuit is less than the maximum reverse voltage of the LEDs. This often isn't specified by 5 V is generally quite safe.
Otherwise switching two or more on at a time connects them in parallel. In this situation the one with the lowest forward voltage will pass the most current. If they are different colour LEDs then the one with the lowest forward voltage, Vf, will be quite bright and the others relatively dim.
Figure 1. Variations in Vf with different colours of LEDs. Source: LED I-V curves.
Figure 2. Variations in Vf for the same type of LED due to variations in manufacture. Source: Variations in Vf and binning.
As you reminded me in the comments, I forgot to cover the current sharing aspect. The voltage at the top of R1 will be reasonably constant (because the voltage drop across the LEDs would be reasonably similar) so the current through R1 will be constant if one or more LEDs is on. That means that the current will be shared between the LEDs - fairly evenly if they're all the same colour but not so evenly if not.
- 175,532
- 13
- 190
- 404
-
So if switching 2 on at once is connecting them in parallel, this would mean the current drop would roughly double? And the resistor if limiting to 15ma would be shared between the 2 LED and would only see 7.5ma (roughly)? – DonP Feb 23 '19 at 22:35
-
Correct, and I completely forgot to cover that in the answer. I'll add it in. – Transistor Feb 23 '19 at 22:37
-
It's problematic because nothing is ever identical so the LED with the lowest voltage drop will cause all the current to flow through it while the other two LEDs never turn on because the voltage drop across them isn't high enough.
- 56,670
- 5
- 69
- 160
-
1
-
As the others have pointed out above, it's okay if you only ever turn on one at a time. You'll run into trouble if you try to turn on more than one at a time. – DKNguyen Feb 23 '19 at 22:38


