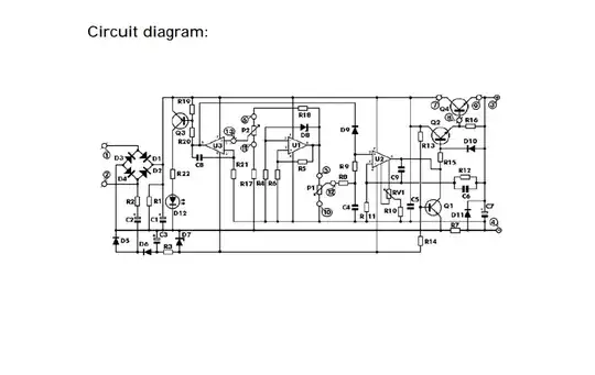
Technical Specifications:
Input Voltage: 24 V alternating (max) Input Current: 3 A (max) Output Voltage: 0 - 30 V, could be regulated continuously Output Limit Current: 2 mA - 3 A, could be regulated continuously Output Voltage Ripple: 0.01% (max)
The output of the transformer is single 24 V or dual 12 V (same as 24 V), and the power could be determined according to your need. If a full load output (30 V, 3A) is needed, the power of the transformer should be greater than 90 W.
The circuit must be connected to 24 V alternating current power, and direct current is forbidden. Why is this so?
