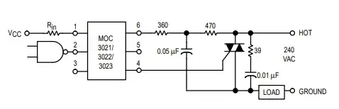
The circuit schematic you have posted looks correct except that you are missing the snubber RC network recommended in the datasheet.

Figure 8 from the MOC3021 datasheet.
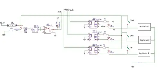
I also note that your control signals are marked "PWM". You can't do regular PWM on AC mains but you can do phase-angle control using the triac and you have chosen a "random-phase optoisolator" which is suitable for that task.

Figure 2. The upper trace shows the trigger delayed close to the end of the cycle. The resultant effective voltage is low. The lower trace shows the trigger close to the start of the cycle. This will result in close to full voltage. The relationship between phase angle delay and resultant RMS voltage is graphed on the right. Source: Dimmers for LEDs.
If you have definitely blown the triacs then you need to post details about the loads you are switching.
First, read up on the need for snubbers.
I would say everything is fine till we trigger one of the switches(sw1,sw2 and sw3). Once anyone of them is connected directly to appliance, that particular triac is started to flow current from T2 to T1 without gate control.
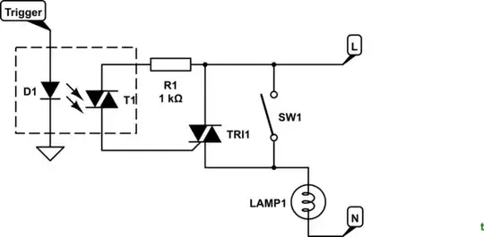
The problem is probably not when you close the switch but when you open it. You are generating a very high rate of change of voltage, \$ \frac {dV}{dt} \$, across the triac. One datasheet lists the maximum \$ \frac {dV}{dt} \$ as 50 V/μs.
Links
You might also find this question / answer useful: A question on zero crossing versus random-fire SSRs.