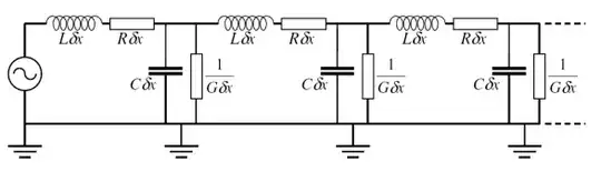
Transmission lines can be modeled as some inductance per unit length and some capacitance to ground per unit length with some resistance to account for losses. The equations to model this behavior can be found in these lecture notes.

The "residual power" is the stored electric charge in the capacitive section of the transmission line. This is a potentially dangerous charge that exists even after the power has been removed. Similar to the charge found in the capacitors in old TV sets and the flash section of cameras.
The amount of time it takes for the charge to decay depends on atmospheric conditions (mainly humidity):
The decay time of residual DC charge in a 500kV transmission line had
once been measured during five fine and dry days of winter season. The
results showed a large scattering without depending on the
simultaneously observed weather conditions, such as temperature or
relative humidity. Then the authors have performed an additional
experiment in a laboratory to discuss the factors that affect the
residual dc charge leakage in a dry condition focusing on the moisture
in the air and the dusts floating in the atmosphere. It is shown that
absolute humidity alone decides the decay time without scattering
under clean and calm condition. The floating dusts blown up by the
wind, however, reduce the decay time and bring a large scattering.
The dusts should be a charge carrier moving freely in the atmosphere.
