0

(update: Please also see the major edit at the end)

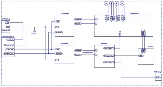
A sensitive electronic equipment Device 1 below is basically composed of a power line EMI filter at the mains entry, an SMPS power supply which powers a data acquisition board and a USB hub. All this Device 1 is in an enclosure and gets the power through power cord 1.

Any device like Device 2 below if connected to a mains nearby and if switched OFF or ON sometimes it upsets the DAQ. Same problem also occurs randomly.

So Im suspicious of the interference to Device 1 through AC mains.

enter image description here

For a quick solution is there a possibility that an isolation transformer would help right before the Device 1?

Edit:

I tried with an isolation transformer still somehow the AC mains of Device 2 upsets Device 1.

Major Edit:

I cannot verify whether the spike is the scope's probes pickup or really conductive. Because another question's comments think it is via the scope.

*But whatever it is, the problem occurs if the Arduino output is connected to the DAQ's digital input. So it seems I can solve the problem if I can eliminate the interference between the Arduino on the DAQ's input.

Here is more info about the entire system:

Here is the basic diagram of what is inside the metallic enclosure:

enter image description here

Here are some photos:

The mains power entry is a module which is followed by a switch. The mains power entry module has also a filter. Here are the photos and details:

This link is the line filter used the exact model is called "5707.0801.312 - IEC Filter"

This link is one of the six daq boards installed.

The Arduino's 33Hz pulse train output goes into one of the digital inputs of the DAQ. And the spike is causing the DAQ board upset. It is because if the Arduino output is not connected the DAQ does not get upset.

The spike is generated when a device is switched in the same mains or a surge ect. So we are not sure how it is happening. The spike is observed by an oscilloscope both at power supplies and Arduino output. Use of an isolation transformer didn't help.

So my aim is to eliminate this spike instead of finding the root cause since we couldn't. It is enough to eliminate the spike only between the Arduino output and the DAQ digital input.

So how about filtering the Arduino output and using a Schmitt trigger?, I tried to simulate the spike and use an RC and a schmitt trigger with hysteresis as:

enter image description here

Signals at input, output and comparator's inverting and non-inverting terminals:

enter image description here

I put R6 C5 to suppress the spike in the system to not to upset comparator, is that a fine way to filter the spike from Vcc? What do you think about the circuit? Any experience with such issues? I can provide more information if needed.

**I would like to add one more point that the USB plug from the metal enclosure system is connected to a PC which is earth grounded:

enter image description here

user1245
  • 4,125
  • 4
  • 38
  • 95
  • 4
    Do you believe the EMI to be carried by conduction through the wiring or transmitted through the air as per radio interference? That will dictate whether an isolation transformer might work. – Andy aka Nov 07 '18 at 09:57
  • Device 1's DAQ was gettting upset time to time. Later on I have found out if a Device 2 is switched I get the same upset problem in Device 1. But there is no direct DC path between Device 1 and 2. Thts why i though the interference is propagating through the mains wires. Is there any possibility an isolation transformer mitigate a possible spike or interference if thats the case? – user1245 Nov 07 '18 at 10:16
  • This 'enclosure', is it a grounded metal case? Is it possible to borrow a UPS from a PC nearby and check if the problem persists? The reason behind this question is that maybe Device 2 has such a high inrush current that this influences (through the common mains' impedance) the power supply of Device 1. Although this is a bit improbably given the SMPS in Device 1. – joe electro Nov 07 '18 at 10:18
  • Is it really the DAQ that's upset rather than a ground common to both analog measurement wires and Device 2, and maybe others in the building, as you state such 'random' behaviour. Often the word 'random' is used in case of lack of proper knowledge and explanation (sometimes entropy is lower than we think). For instance, mains filters in Devices 2 and such like have capacitors between power line and ground, which could cause a current spike through ground the moment it's switched on. Any common grounding would then apparently 'upset' your DAQ. – joe electro Nov 07 '18 at 10:25
  • … But rather it's an input voltage disturbance that the DAQ sees. – joe electro Nov 07 '18 at 10:28
  • 2
    If you are adding to the detail of the problem you have in comments then please do not. Add that detail directly to the main body of the question and delete the comments as these will be superseded by you doing the correct thing. – Andy aka Nov 07 '18 at 13:09
  • 1
    have you checked all of your ground screws/clamps? I've seen similar on industrial machinery where we just needed to tighten 1 screw up and everything went away – Thefoilist Nov 15 '18 at 12:25
  • 1
    @Thefoilist Yes that is checked several times. – user1245 Nov 15 '18 at 12:31
  • You may attract more readers if you edit your question title to reflect what the topic is rather than "What could be causing this problem?" – Transistor Nov 15 '18 at 18:20
  • A couple more details: Are the power supplies isolated from each other? What else is connected via USB? (USB can be a nightmare for instrumentation, you already have a ground loop there) I see the DAQ system has its reference inputs connected to a coax shield, are these grounded somewhere? – Edgar Brown Nov 17 '18 at 22:32
  • BNC connectors are used for diff analog inputs and BNC connector shields are not touching to the metal case i.e isolated by plastic washers. Besides what photos shows, an Arduino board is connected to the USB hub. I also tried an isolated USB hub but help. Im not sure whether the power supply grounds are ilsated from eachother. – user1245 Nov 17 '18 at 22:49
  • 1
    @EdgarBrown When the Arduino output is conencte to the digital ground the DAQ gets upset with error. Can that be through USB hub and Arduino GND and DAQ's digital ground there is ground loop? If that is the case would an opto isolator between the Arduino and the digital input might help? – user1245 Nov 17 '18 at 22:57
  • 1
    If that’s the case, I don’t see a ground connection from the DAQ board to whatever it’s measuring. Have you measured potentials between those grounds? Functional isolation can solve some nasty ground loop problems, but finding the source of the issue is always a much safer way to proceed. – Edgar Brown Nov 17 '18 at 23:04
  • @EdgarBrown Daq analog inputs are isolated with isolation modules and this issue happens even no inputs are coupled. I dont think I will ever find the source of the problem, tried almost everthing. But eliminating the spike going into the DAQ digital input from Arduino is enough for me. Either filtering or optocoupler. I dont know really. It might be a radiated interference and its beyond my capacity to stop it. – user1245 Nov 17 '18 at 23:17
  • @EdgarBrown One more point the external USB is connect to a PC. Can that be the interference path is the external USB cable coming from the PC? – user1245 Nov 18 '18 at 15:50
  • @Andyaka I tried to put now all the details in question. – user1245 Nov 18 '18 at 18:40
  • See if you can power one of the devices with battery, direct with battery and linear supply if possible or with a UPS that you uncouple from mains for the test. This will eliminate the mains supply route. – KalleMP Nov 18 '18 at 21:07
  • @KalleMP I tried isolation transformer but not a UPS. But Im also recently suspicious of the external USB cable which is connected to a PC. If I fail all root cause findings, can a filter like I simulated in my question help? – user1245 Nov 18 '18 at 21:12
  • If a spike is very narrow in time a RC filter may help. If a spike is low in amplitude (after filtering say) on a digital signal a Schmidt-trigger may suppress it due to the added hysteresis. Have you checked that your software is glitch free? Are there any dips in the DC supplies when the glitch occurs, could it be causing a controller peripheral circuit to misbehave? – KalleMP Nov 20 '18 at 11:14
  • One thing I notice is that PE is connected to the Chassis. Nothing wrong there, but you have to make sure that the GND of the HUB, Arduino, etc. are not connected to it, as you will effectively be shorting the secondary side Y Capacitor inside the power supplies. – Elmesito Nov 22 '18 at 10:41

1 Answers1

-1

I've noted that you never mentioned how many power drains device 1 and device 2, in that order of ideas I need to ask first if on the area surrounding there are more devices connected to that branch of AC mains, if there are more devices loadind the circuit/branch it could be happening that when you turn ON the device 2 it has an instant consumption in addition to the consumption of the other devices large enough for the DAQ to detect the instant disminution/change on the power supplied by the power supply (redundancy here) protecting itself and consequently restarting itself. In case of the DAQ doesn't restart itself it could be happening that the DAQ loses some internal electrical reference to realize good measurements but in any case the effect results the same: the DAQ gets upset.

In that case you could try the same operation of start device 2 in the same AC mains where is device 1 but disconnecting the other devices which not need to be tested, if that doesn't works then connect device 1 or device 2 (or both) to other branch of AC mains where one of both are alone, or to a branch where the load is lower than the original branch.

As last comment if there is a fluctuation on AC mains when you start device 2 it probably could be detected or measured with a multimeter set in max-min or by simply watching the screen, if the fluctuation is fast enough so it can not be detected with a multimeter then you'll need a load analizer capable of detecting fluctuations, if the problem is internal to device 1 then you'll need other method like a scope for checking power supervisors internal to device 1 or reference signals.

I hope all this could help you.

bitsmack
  • 16,931
  • 9
  • 54
  • 111
vram
  • 158
  • 13
  • Seeing the plot of the signals, if you see then the offset of the signals matchs with the logic levels of 3.3V aprox. so it appears to be I think you should power the arduino from a power source only for it. Right know I'm thinking that the spike is comming from the usb port of the hub – vram Dec 16 '18 at 13:16