Sorry if the question is stupid, but my head is still hard as a coconut and I am learning...
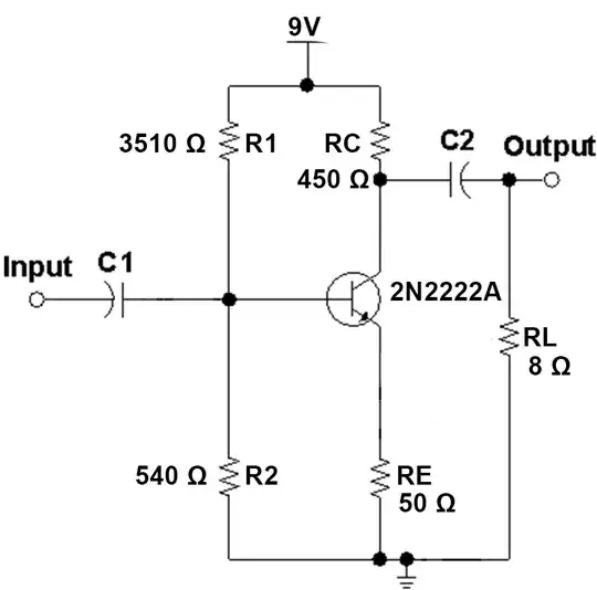
I am dealing with this circuit that I have calculated from scratch.
This circuit was designed to have
- Vc = 4.5V
- Ve = 0.5 V
- Ic = 10 mA
- Ib = 44.44 uA
Now I am trying to calculate C1 and C2.
The documentation about this is vague and conflicting but as far as I have researched you calculate these capacitors like this:
C1
Several authors say to calculate this capacitor equal to the input impedance at the cut frequency.
Some authors say the frequency must be the lowest frequency, below which, I want to remove from the signal. Some say it must be the highest frequency the amplifier must amplify. I am considering the first hypothesis.
The input impedance of this circuit, I found to be
\$ Z_{IN} = R_1 \ // \ R_2 // \ (r_{\pi} + R_E) \$
where
\$ r_{\pi} = \frac{kT}{qi_B} = \frac{26 mV}{i_B} \$
So, for iB = 44.44 uA, we have
\$ r_{\pi} = \frac{26 mV}{44.44 uA} \approx 581.6746\$ Ω
So,
\$ \frac{1}{Z_{IN}} = \frac{1}{R_1} + \frac{1}{R_2} + \frac{1}{r_{\pi} + R_E} \$
\$ Z_{IN} = 268.82 \$ Ω
If C1's reactance must be equal to ZIN at the cut frequency, lets say 80Hz, then
\$ C_1 = \frac{1}{2 \pi f Z_{IN}} \$
\$ C_1 = 7.4 \mu F \$
C2
For C2 we have the same calculation but now C2's reactance must be equal to the load impedance (8 Ω) for speakers.
then,
\$ C_2 = \frac{1}{2 \pi f Z_{LOAD}} \$
\$ C_2 = \frac{1}{2 \pi (80) (8)} \$
\$ C_2 = 248 \mu F \$
Is this the correct way to calculate these capacitors?

