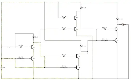
I'm trying to implement a XOR gate using NAND gates but I'm getting a short circuit in the part circled in the diagram. If anyone could help me fix this I'd greatly appreciate it.
I made changes as recommended, but in doing so I broke the logic of the XOR gate.

It seems that every time I fix the logic for the XOR that I create a short as well. I'm just trying so solve this because I can't find a solution online. If anyone knows of a working XOR gate using NAND gates please post the link. Here is where I am so far. If I find a solution I'll post it.


