0

In the schematic taken from a device's service manual, if I want to bypass this volume knob and make it 100% all the time, which pins should I connect and how?

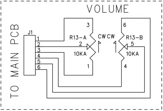
schematic

I have read online, prior to seeing the schematic that I should jump 1-2 and 5-6 and was told 3 and 4 "weren't even connected".

I do not know the relevance of the 10ka indicator and wonder if I need to use a resistor to jump the pins or if a straight wire would be proper.

Thank you in advance for your help!

anachostic
  • 3
  • 1
  • 2

2 Answers2

1

For full volume, you would turn the pot fully clockwise. The arrows between the pots indicate that turning the pot clockwise moves the wipers up, so you should connect pot terminal 2 to 3, and 5 to 6, or connector terminals 1 to 2, and 5 to 6.

I would expect that connector terminals 3 and 4 would be connected to circuit ground.

Peter Bennett
  • 59,212
  • 1
  • 49
  • 132
0

And "10KA" means "10kΩ, A taper." So on those pots, from 1-3 and 4-6, should measure 10kΩ +/-5%.

You still want a 10k resistor from 1-3 and 4-6, don't leave them out.

The "taper" is the mathematical function of the pot. Tapers are usually A or B, standing for Logarithmic and Linear. But this depends on the origin of the pot - Asian origin are most common but others do exist:

Taper           Function    Asia    Europe  America   Vishay
Linear            LIN        B        A        B        A
Log (Audio)       LOG        A        C        A        L
Anti-log          ALOG       –        F        C        F

A linear pot (taper B) is the easiest to understand: at 10% dial, resistance from 1-2 is 10% of 10k, or 1k. 20% dial is 2k, 50% dial is 5k, etc. Mathematically, there is a linear relationship between the knob position and the resistance output. This works well for adjusting voltage linearly with knob position. Or for using a resistance directly.

A log pot or audio pot (taper A) does not follow this linear progression. Instead, as the name suggests, the resistance of a log pot changes logarithmically with position. This is approximate; real log pots seldom meet an exact logarithmic curve and are generally weaker and less robust. Please see Formula for Logarithmic (audio taper) pot for more information.

The intensity of soundwaves traveling through the air has a natural logarithmic relationship to our ears. This is why log pots are commonly used in audio applications. See Why should I use a logarithmic pot for audio applications for more info.

rdtsc
  • 16,238
  • 4
  • 32
  • 70