1

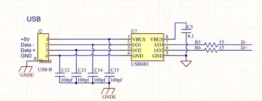
Is a scheme like the one below better than the one listed above for meeting USB eye diagram specs for USB full speed? I'd imagine that ditching the capacitors would be a good idea.

enter image description here

enter image description here

Voltage Spike
  • 82,181
  • 41
  • 84
  • 220
  • 1
    100pF looks like a lot on the data lines. Off the shelf ESD protectors have less than 1pF, eg. https://www.onsemi.com/pub/Collateral/AND8319-D.PDF I would just select one of the protectors from a major chipmaker and not add extra caps. – filo Sep 07 '18 at 17:26
  • I remembered in a TI's app note, they use 1nF + 10R to filter the USB data lines. – Long Pham Sep 07 '18 at 17:33
  • I'm not sure what this is all about. The USB buffer chip has the same circuit as that indictated by the diodes on the lower one and you are hinting that the 100 pF caps be ignored then all that is left is the RC versus nothing plus your title says low speed and your text says high speed. Confused? – Andy aka Sep 07 '18 at 17:37
  • 100pf actually comes from one of the usb connectors with the built in filters. – Voltage Spike Sep 07 '18 at 17:43
  • @Andyaka Fixing the typo – Voltage Spike Sep 07 '18 at 17:45
  • The onchip driver transistors will have a finite output current. 1 volt into 1pF in 1 nanosecond is 1milliAmp. 1 volt into 100pF in 1 nanosecond is 100 milliAmps. So beware of random insertion of high capacitance. – analogsystemsrf Sep 07 '18 at 17:46

1 Answers1

2

There is no such thing a "better" or "worse" in FS signaling. There is a slew rate that must not be too fast, yet not violating the FS eye diagram mask. If you meet these conditions, the design is fine and will work fine.

The difference in recommendations in managing D+/D- lines in the above two variants is due to differences in the type/quality of USB PHY.

If a MCU has an old primitive PHY without buit-in slew control (something like just two push-pull CMOS transistors), you do need 22pF-33pF load caps to limit the edge rate, and 15 - 22 Ohms series resistors to match differential cable impedance and avoid shifts in crossover points at transmitter.

If your MCU has a modern PHY that has a buit-in control over slew rate (using many dozens of cascaded drivers), you don't need any resistors nor caps.

Ale..chenski
  • 40,470
  • 3
  • 39
  • 109