When I was looking for some information how to convert unbalanced audio signal to balanced, it was hard to find info other than "use transformer" or "buy X device to do this".
source: http://www.fivefish.net/diy/balanced/default.htm
but I'm not sure if this is correct solution. I mean that on this schematic you can see low pass filter which cut-off freq is about 140 kHz, which I think is way to high (changing 220p to 1n would help?), also where op amp in inverting configuration seems rather ok, but non-inverting shouldn't be done differently (according to https://www.electronics-tutorials.ws/filter/filter_5.html)?
Same thing with capacitor connected to pins 2 and 6 - I think it should rather be connected between output and those pins, not ground, and short between unbalanced signal + and gnd (or it's just compression of image that creates this illusion)
Anyway, I'm better in digital electronics than analog, so maybe someone with greater knowledge help me here with this.
EDIT 1:
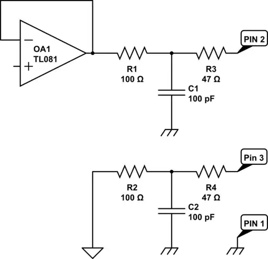
Based on SSM2142, I created the following circuit that, I think (or rather I hope) should work correctly, making unbalanced audio signal balanced. Am I right or wrong?

simulate this circuit – Schematic created using CircuitLab
Instead of TL081 I was thinking about using LM358.

