so im trying to make this simple oscillator using ic cd40106 without any succsess. it's the usual astable multivibrator configuration using a 9v pwr supply, 220k resistor and a 2.2uf capacitor, the output goes through a 100ohm resistor to a red LED. the problem is that when i hook up the power supply the LED lights up as if there is a direct current flowing through it and no oscillation occurrs, and when i unplug the power supply the the led seems to oscillate just fine. i know that the current comes from the filtering capacitor at vcc when i unplug the power. so why when the power is hooked up i get dc current through the LED and oscillations when the power comes from the discharging capacitor? i grounded all of the unused inputs aswell. funny thing is that the exact same circuit worked just fine a couple of days ago.
Asked
Active
Viewed 688 times
1
-
Your load current is too high and LED R is too low and Vdc is too high, so reducing Vdc by unplugging it makes it draw less current to LED (Vdd-Vf)/R. – Tony Stewart EE75 Jul 10 '18 at 14:13
-
There is no "usual astable multivibrator configuration". Please show your circuit and power connections. – Andy aka Jul 10 '18 at 14:15
-
You should not load the output of your oscillator as it influences the feedback. Use another one of the six Schmitt-triggers in the 40106 as a driver for the LED, as they have a much higher input impedance. – Marco Zollinger Jul 10 '18 at 14:51
1 Answers
1
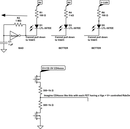
CD series CMOS has an output RdsOn ~>300 Ohms so the LED series R should be 1K otherwise Vout drops and then feedback fails to reach Vdd*1/3 then it fails to oscillate. Even if not a Logic"0" it is low enough to sink current to keep LED ON but NOT oscillate where it must go below Vdd/3 and above 2/3 Vdd on the input. So the load MUST BE > 3x the output resistance of driver.
It is also "Supply-Dependant RdsOn" and 74HC series was designed with 50~75 ohms output resisance for 5V , while 74ALS series was designed with 25~22 Ohms. for Vdd<=3.3V supplies.

simulate this circuit – Schematic created using CircuitLab
DEBUG ACTION
- measure Vout, Measure Vin, fix problem.
- Next time think ahead about Source/load impedance ratio and "load regulation"
Tony Stewart EE75
- 1
- 3
- 54
- 185