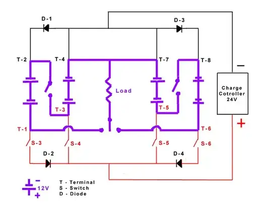
I put an electric motor into my 30' sailboat to propel it. I'm also using 8x12V Deep Cycle Marine Batteries to create 48V system (4 in series twice, connected in parallel) I have a 24V Wind Generator, 24V Solar Pannel and 24V Hybrid (wind and sollar) Charge Controller. I also purchased a high powered diods, 8 of them, thinking I can isolate batteries as pairs (24V each pair).
I have a whole bunch of switches I think I'll need to use to isolate the batteries. Can it be done outomatically, with out switches and will the batteries charge properly?
