14

Apologies if this is a stupid question - I'm very new to electronics and feeling slightly out of my depth...

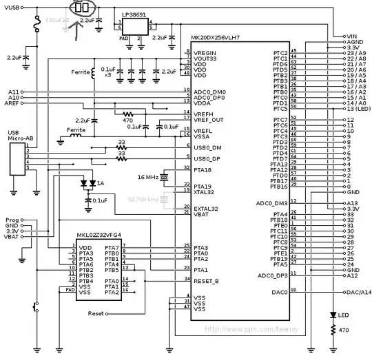
I've puzzled out most of the rest of this schematic, but can't find the circled symbol's meaning anywhereenter image description here

Thanks!

Isaac Woods
  • 251
  • 2
  • 5

3 Answers3

17

What is this symbol on this schematic? (two boxes on wire)

It is a pair of solder pads, which are joined by default - hence the "wire" (PCB track) between the "boxes" (solder pads).

This is often used as a reversible way to break and join nodes on simple PCBs, which is cheaper than adding a 2-pin header and jumper.

On that schematic, this "solder pad jumper" is used to connect, or disconnect, the USB voltage source (left-hand side of the schematic) from powering the main MCU via the LP38691 regulator.

If you supply a voltage from VIN on the right-hand side of the schematic, you would split (break) that pair of pads, to avoid back-feeding the USB power source, from whatever is providing your VIN, while still allowing you to have a USB data connection.

Look at a photo of the actual PCB which corresponds to that schematic (or read the description of the schematic in its documentation) and you should either see (or read instructions about how to use) that solder pad jumper.


Update: Now that I found the subtle URL in the schematic from the question, I see that schematic is for the Teensy 3.2 (scroll down the linked page, as all schematics are on one page).

Also scrolling down the Teensy pinout page, the reverse of the Teensy 3.2 PCB shows this photo, including the solder pad jumper from the schematic, and instructions of when to cut it (as you found later) in the top-right:

Teensy 3.2 PCB reverse side

As you can see, the PCB designer chose to use rectangular solder pads for that solder jumper, and this choice has been duplicated in its symbol on the schematic. Other designers use semi-circular pads for this type of jumper on the schematic and/or on the PCB itself.

SamGibson
  • 17,870
  • 5
  • 40
  • 59
  • 1
    Thanks very much! Looking more closely at the board and manual, it says to cut it if using an external power source and a USB host. Not exactly related to the original question, but what's with the bunch of capacitors off the VOUT33 pin? – Isaac Woods May 30 '18 at 00:56
  • I think this could alternatively be called a net tie. – crasic May 30 '18 at 00:57
  • 3
    @IsaacWoods - Hi, "cut it if using an external power source and a USB host" Yes, that's exactly what's needed, for the reason I mentioned :-) "what's with the bunch of capacitors off the VOUT33 pin" Although those caps are shown together, I bet that they are physically separate on the PCB. I expect each of the caps is physically next to one of the three VDD pins, with one cap (perhaps the 2.2uF) located next to the VOUT33 pin, since that is the different value capacitor. Read the MCU datasheet (and any "Getting Started" type docs) for the manufacturer's bypass cap recommendations. – SamGibson May 30 '18 at 01:03
  • @SamGibson oh so they're just to decouple the VDDs from each other? Thanks so much for your help :) – Isaac Woods May 30 '18 at 01:07
  • 1
    @IsaacWoods - Yes, although I prefer to think of it as having a bypass capacitor very close to each VDD / VOUT33 pin (as they are labelled in your case). In simple terms: The less inductance (i.e. the shorter the trace length) between each MCU power pin and its bypass capacitor, the better. You should be able to see the physical distribution of these capacitors on the PCB. This is just one example of where "location on a schematic" does not equal "location on a PCB". – SamGibson May 30 '18 at 01:21
  • 1
    @IsaacWoods - Now that I found what board this is, looking at this photo of the top side of the PCB, the caps you mentioned will be the ones near the corners of the MCU package. I suspect the slightly larger cap top-right of the MCU will be the 2.2uF connected to the VOUT33 pin, whereas the smaller caps near other corners are the 0.1uF ones connected between the multiple VDD and VSS (i.e. ground) pins. However since these components don't have designators (e.g. C1 etc.) on the schematic or PCB, you'd need to manually check this e.g. using DMM. – SamGibson May 30 '18 at 03:58
  • 1
    @SamGibson that makes a lot of sense, and yeah I hadn't noticed that the VDDs have far-apart pin numbers and just assumed they'd be near each other. Thanks so much – Isaac Woods May 30 '18 at 10:37
5

I would say this is a representation for a solder jumper. Two exposed pads that are placed close together on a board, that allow for manual "hardware configuration". You can check if this is correct if you have the board at hand.

Related question, with a schematic symbol on answer (not an exact match, but the same idea could be implied): How to do Jumperless Jumpers?

Vicente Cunha
  • 2,664
  • 9
  • 12
3

It is most likely a "solder short" — a pair of pads that are connected by a narrow trace that can be cut. But they are close enough together that they can be reconnected by a blob of solder.

They could also be ferrite beads, used to help with power supply decoupling, but other ferrites are shown as ordinary inductors, so this is probably wrong.

Dave Tweed
  • 172,781
  • 17
  • 234
  • 402