8

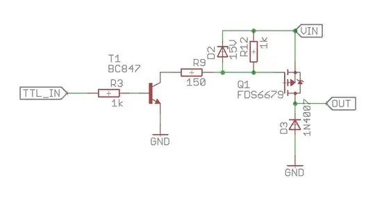
I'm controlling a P-Ch MOSFET on a circuit,

  • VIN is 8-30V
  • TTL_IN is a 0-5V signal generated by a MCU, which can source/sink currents up to 15mA
  • Zener Izt 5mA (BZT52C15)
  • MOSFET Vgs limit 25V

I'm currently using this circuit:

schematic

I find many different implementations for this situation; I see voltage dividers at gate, emitter resistors for current limiting, replace NPN with a small N-ch FET, gate driver IC's etc.

My questions are:

  1. Is my circuit is valid and safely usable? (I actually use it with no obvious effects (heating etc.) but I want to be sure)
  2. For relatively fast (5KHz) switching speeds, what should I need to change?
    • I previously used 10K for R12 and it cannot charge the gate fast enough, leading slow turn off times. 1k is much better for regarding speed but I'm not sure R9 limits the current enough.

Thanks.

sabbath
  • 361
  • 4
  • 12
  • 5 MHz is relatively fast gate drive ;-) But you are correct, with 1 k pull up, even 5 kHz becomes an issue. – winny Apr 07 '18 at 20:49
  • You can make both R9 and R12 bigger and put a small capacitor across R9 to speed up the circuit. I think it will work. Simulate first. The basic circuit seems OK. I think you can get it to work. It might be easier if you use NMOS on the bottom (if your application allows that) and use a gate driver IC to drive the NMOS gate. – user57037 Apr 08 '18 at 01:37
  • @mkeith Thanks for your suggestion, I'll try and report back. Unfortunately my application requires high side drive, so I'm stuck to P channel FET's. – sabbath Apr 08 '18 at 21:37
  • It is possible to do high side control with NMOS, and it can work well provided that there is an upper limit on the duty cycle less than 100%. If you are interested you can look into high side gate drivers. But PMOS may just be easier. – user57037 Apr 08 '18 at 23:23
  • Even at DC there is a major problem. At 30V VIN, you'll have 15V across R9/T1 leading to 100mA. 100mA is the ABS MAX rating for a BC847. R9 will need to be at least 2 watts. D2 will be dissipating 1.5W which is 3 times the max rating on the data sheet. I'm going to guess that you didn't try this at 30V, correct? – Randy Nuss Apr 07 '19 at 14:13
  • @RandyNuss You're certainly right - I only tested it below 25V. Please post your suggested changes/fixes as an answer so I can mark it as such. Thank you. – sabbath Apr 08 '19 at 17:40
  • You'll have to google for MOSFET gate drivers. The design you currently have can be tweaked a bit to work at DC by increasing R9 and R12 significantly. If you want it to work in an AC situation, you'll need to actively drive the gate to charge and discharge the gate capacitance. I don't want to submit this as an answer since a minor tweak to this circuit won't meet your AC design goals. – Randy Nuss Apr 10 '19 at 23:07

3 Answers3

2
  1. Is my circuit is valid and safely usable? (I actually use it with no obvious effects (heating etc.) but I want to be sure)

Your circuit is a standard choice when it is needed a general purpose driver (no high speed, no low power consumption), so if you have properly sized the \$R_9\$ e \$R_{12}\$ resistor in order to dissipate without problem the right amount of power, it is a safe and usable circuit.

  1. For relatively fast (5KHz) switching speeds, what should I need to change?
    • I previously used 10K for R12 and it cannot charge the gate fast enough, leading slow turn off times. 1k is much better for regarding speed but I'm not sure R9 limits the current enough.

If you need to turn OFF and ON your p-channel MOSFET with a \$5\mathrm{kHz}\$ square waveform, in order to have a similarly shaped \$V_{OUT}\$, your driver circuit should be able to sink and source an appropriate gate current \$I_G\$: this is due to the fact that the switching time of a MOSFET are approximately $$ t_{ON}\simeq t_{OFF} \simeq \frac{Q_{G}}{I_G} $$ where \$Q_{G}\$ is the total gate charge of the MOSFET (from the FDS6679 datasheet, \$Q_{G_\max}\simeq 100\mathrm{nC}\$).

An example calculation based on your circuit.
Let's try to estimate the required \$I_G\$: since $$ t_\mathrm{TTL\_IN}=\frac{1}{f_\mathrm{TTL\_IN}}=\frac{1}{5\mathrm{kHz}}=200\mathrm{\mu s}, $$ assuming \$t_{ON}\simeq t_{OFF} \simeq 1\% t_\mathrm{TTL\_IN}\$, we have $$ \begin{split} 0.01t_\mathrm{TTL\_IN}=\frac{Q_{G}}{I_G} &\iff & I_{G_\min} &=\frac{Q_{G_\max}}{0.01t_\mathrm{TTL\_IN}}\\ & & & =\frac{100\mathrm{nC}}{2.0\mathrm{\mu s}}=50\mathrm{mA} \end{split} $$ Thus the drive circuit is should be able to sink/source at least \$50\mathrm{mA}\$ for all the duration of the switching phase, whatever the value of \$V_\mathrm{IN}\$ is. When the MOSFET is switched ON, the gate current flows through \$R_9\$ and the minimum charging current (at least at \$t=0_+\$) is $$ I_9 =\frac{V_\mathrm{IN_\min}}{R_9}=\frac{8V}{150\Omega}\simeq 53.3\mathrm{mA} $$ and this would be almost enough to turn it ON at the desired speed. However, we face more serious problems when we want to switch OFF the MOSFET: now the gate current flows through \$R_{12}\$ and the gate-source capacitance of the MOSFET is discharged through it. The discharging current (at least at \$t=0_+\$) now is $$ I_{12} =\frac{V_\mathrm{IN_\min}}{R_{12}}\simeq\frac{8V}{1000\Omega}\simeq 8\mathrm{mA} $$ and this is not sufficient to turn the MOSFET OFF at the desired speed.

How to proceed in order to produce an acceptable square wave output?

  • The first, intuitive solution to the problem would be lower the value of \$R_{12}\$, for example putting \$R_9\simeq R_{12}\$. However this is not a good idea since this would rise the static (i.e. the ON state) power consumption of the circuit, and this can be not acceptable.
  • We may consider another point of view: the assumption \$t_{ON}\simeq t_{OFF} \simeq 1\% t_\mathrm{TTL\_IN}\$ is perhaps too restrictive and we may consider assuming \$t_{ON}\simeq t_{OFF} \simeq 10\% t_\mathrm{TTL\_IN}\$. This would cut down the required gate current to one tenth of the one calculated before, and the circuit would work "as is". However, the output waveform will be more a trapezoidal than square wave.
  • A last, perhaps optimal from the point of view of the power consumption and switching speed but more expensive, solution would be using an active pull-up circuit, as described in this answer
Daniele Tampieri
  • 3,375
  • 4
  • 14
  • 30
  • I wonder if that t_ON = 1% T_ttl still applies when there is no ttl signal but a 1 HZ signal. – kellogs Apr 21 '23 at 14:21
  • 1
    @kellogs the $t_{ON}=1%t_\text{TTL_IN}$ is a simple rule of thumb thus it holds at every frequency. Nevertheless I is true that it becomes more effective as the control signal frequency decreases: the gate charging current decreases to $0$ while the rise and fall time rise increase accordingly and with a gate signal of $1\text{Hz}$, bot of them are nonetheless negligible to the ON signal duration thus lower frequency pose lesser problems. – Daniele Tampieri Apr 21 '23 at 17:58
0

Your 1N4007 freewheel diode is far to slow ,In fact it could cause the mosfet to blow if your load has inductance .Replace this with something faster .If V in was 30 V and the duty cycle was high R9 and Z2 will get very Hot .What I do is use a current source to limit the worse case power disipation .Your 1K R 12 is the only thing that turns the mosfet off .Reducing it will speed things up but waste more power in the gate drive .You could Augment R 12 with some active turnoff scheme .

Autistic
  • 14,616
  • 2
  • 28
  • 65
0

A couple of ideas.

  1. Use an opto-coupler to lift the gate drive up to where it needs to be, so the Vce of the pre-drive transistor becomes a nonissue.

  2. An N-FET will give you more choices with lower Rds(on). The drawback is that the Vout will be limited by the Vgs threshold of the driver, but you can also overcome that if you bootstrap the pre-driver.

hacktastical
  • 53,912
  • 2
  • 49
  • 152